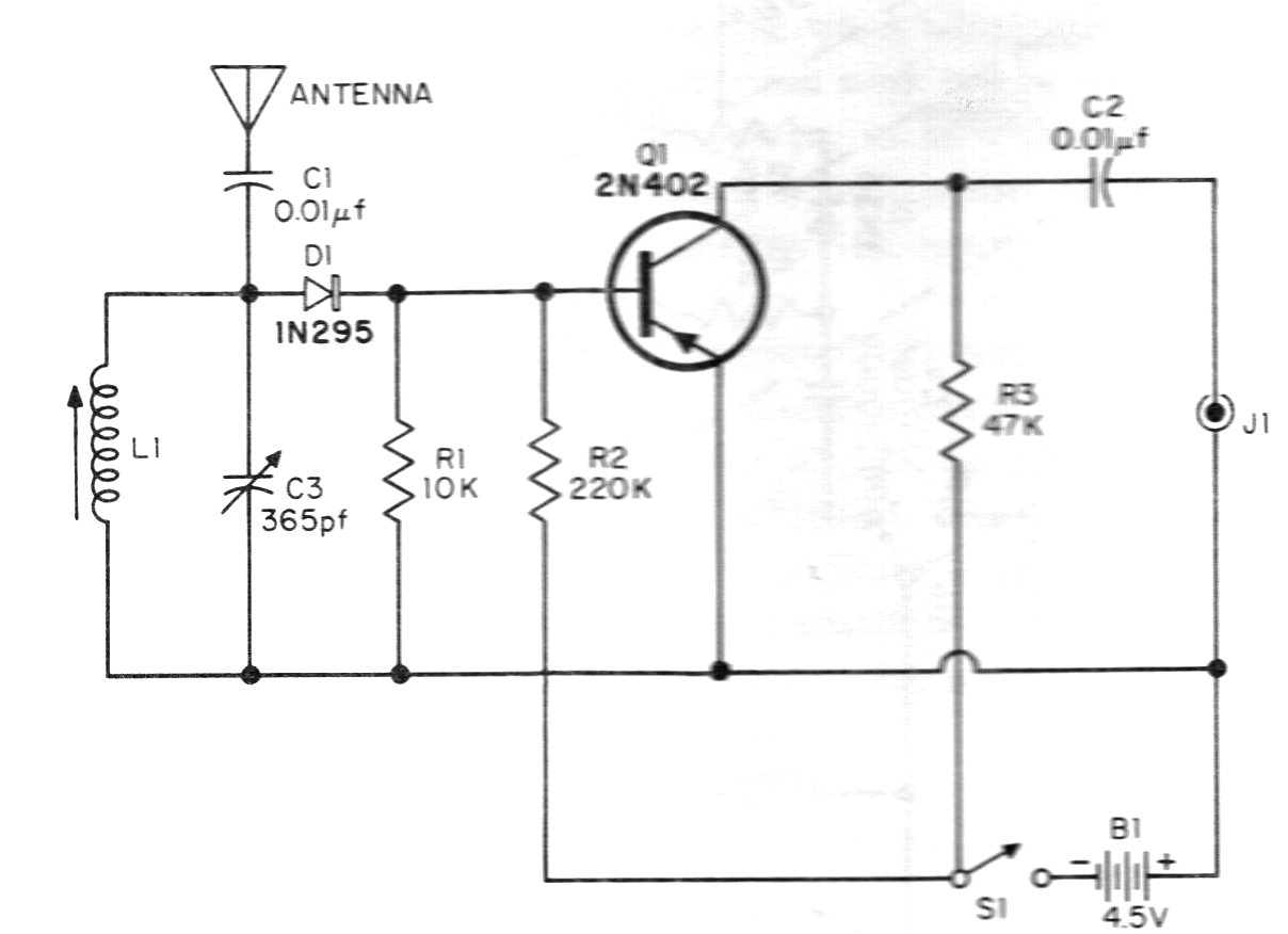
Este circuito fue encontrado en un libro americano de 1964. Con él podemos sintonizar estaciones de onda medias y aplicar la señal a un amplificador de audio. L1 está formada por 100 espiras de hilo 28 en un bastón de ferrita y el transistor puede ser el BC558. La alimentación se puede realizar por tensiones de 3 a 9 V.




