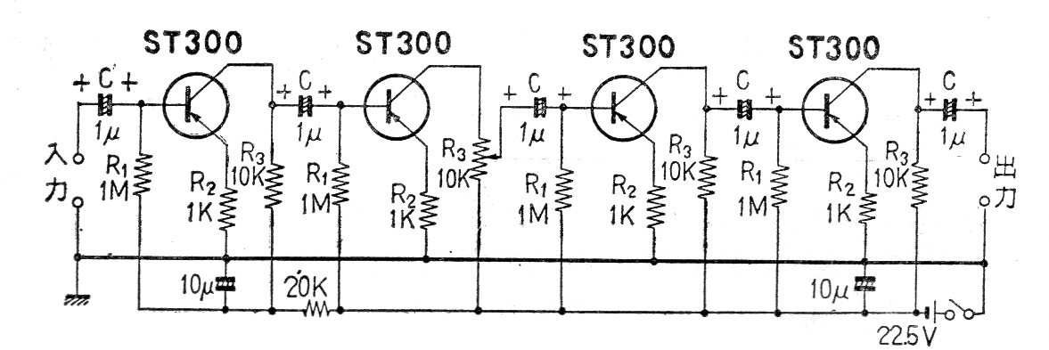
Este circuito de alta ganancia se puede utilizar en aparatos de ayuda auditiva. El circuito es de una documentación de 1967 y utiliza transistores de germanio. La alimentación se realiza con una tensión de sólo 2 V.
Este probador de continuidad artesanal tiene una finalidad didáctica, pudiendo ser utilizado como tema...
Este tipo de oscilador utiliza una configuración fuera de lo común y puede ser utilizado como base...
Este circuito produce el ruido del goteo de un grifo o una gotera cuando la luz deja de incidir en el...