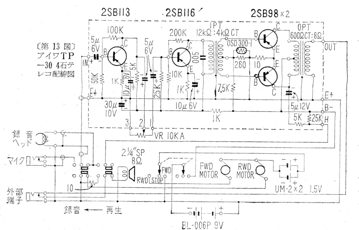
Este circuito formaba parte de un pequeño grabador de cinta de los años 60. El circuito era alimentado por dos pilas y una batería de 9 V. La potencia era inferior a 1 W. Los transformadores son tipos comunes en la época. Encontramos este circuito en una documentación japonesa de 1962.




