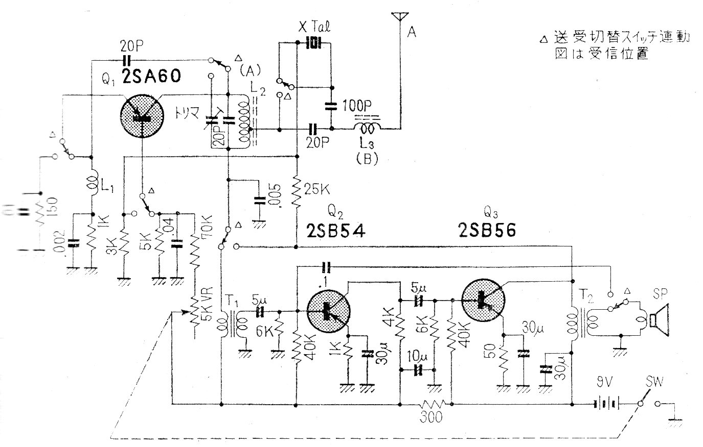
Este circuito fue encontrado en una antigua documentación japonesa. La bobina L2 consta de aproximadamente 12 vueltas de hilo 28 en un bastón de ferrita con toma en la cuarta espira y los transformadores son del tipo controlador y salida encontrados en antiguas radios transistorizadas. La antena es telescópica y la alimentación de la batería. El altavoz también sirve de micrófono.




