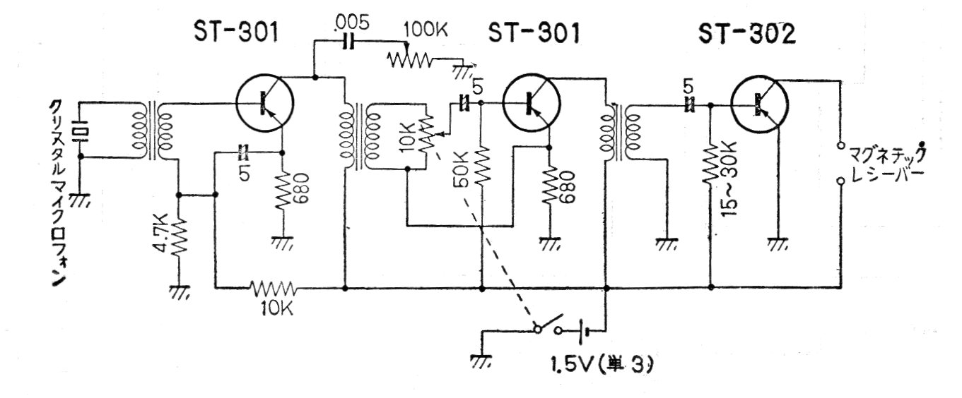
Este pequeño amplificador de tres transistores fue fabricado en Japón en los años 60. Los transistores proporcionaban buena amplificación para escuchar en auricular, pudiendo el circuito ser utilizado en ayuda auditiva. El circuito se alimenta con una sola pila de 1,5 V.




