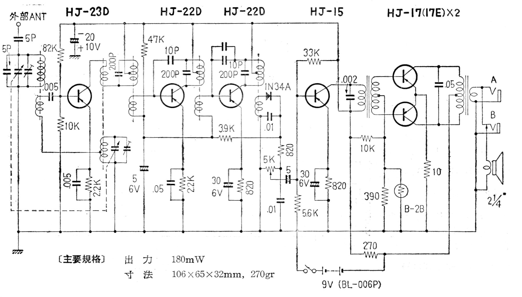
Esta radio japonesa de 6 transistores de los años 60 usaba transistores de germanio y tenía una potencia de salida de 180 mW. El circuito es del tipo super-heterodino con salida en push-pull clase B.
En el circuito de la figura utilizamos dos de las puertas del 4093 como un biestable y las otras...
Este circuito simple se puede utilizar para reforzar la señal de fuentes que no son capaces de...
El circuito presentado fue encontrado en un Linear Applications Handbook de National Semiconductor de 1994....