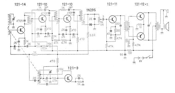
Este es el circuito comercial de la radio Royal 500 de Zenith fabricado en los años 60. El circuito tenía 7 transistores y era alimentado por una tensión de 6 V proveniente de pilas. El circuito es para la banda de ondas medias del tipo super-heterodino.




