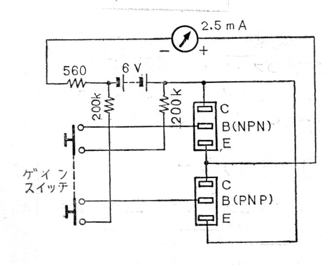
Este simple probador de transistores fue encontrado en una revista japonesa de 1967. Prueba transistores de uso general tanto del tipo NPN como PNP y es alimentado por 4 pilas (6 V).
En el circuito de la figura utilizamos dos de las puertas del 4093 como un biestable y las otras...
Este circuito simple se puede utilizar para reforzar la señal de fuentes que no son capaces de...
El circuito presentado fue encontrado en un Linear Applications Handbook de National Semiconductor de 1994....