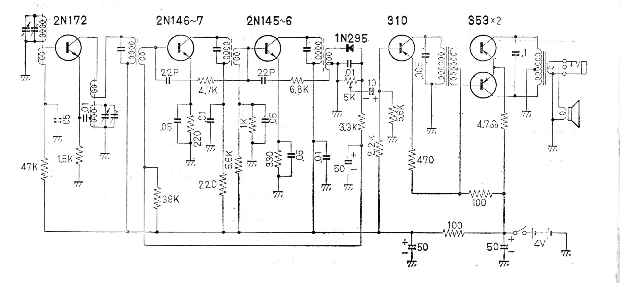
Este es el diagrama de la radio transistorizada AM Sentinel 369 obtenido en una documentación japonesa de los años 60. El circuito de 6 transistores es super-heterodino y alimentado por una tensión de 4 V. Los transistores son de tipo americano 2N.
En el circuito de la figura utilizamos dos de las puertas del 4093 como un biestable y las otras...
Este circuito simple se puede utilizar para reforzar la señal de fuentes que no son capaces de...
El circuito presentado fue encontrado en un Linear Applications Handbook de National Semiconductor de 1994....