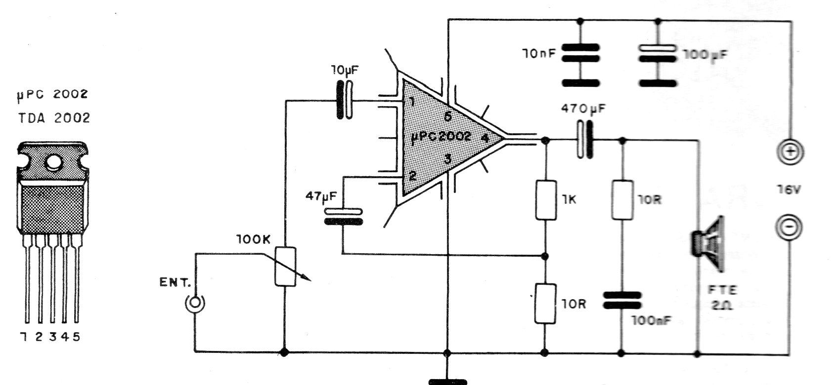
El circuito uPC2002 es equivalente al TDA2002 en este circuito de 1986. Este circuito integrado debe estar dotado de disipador de calor y la alimentación de 12 a 16 V debe tener una corriente de al menos 4 A. El circuito funciona con cargas de 2 a 8 ohms , pero con 8 ohmios la potencia es menor.




