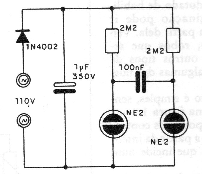
Esta es una configuración tradicional de parpadeante con dos lámparas de neón. La frecuencia es dada por el capacitor de 100 nF que debe ser alterado. Este capacitor debe tener una tensión mínima de trabajo de 100 V. El circuito también funciona en 220 V con una tensión mayor para el capacitor de 1 uF.




