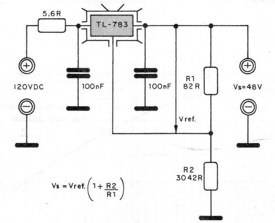
Encontramos este circuito en una documentación de Texas Instruments de 1986. El circuito produce una tensión regulada de 48 V usada en equipos telefónicos de la época. El regulador de tensión integrado debe estar dotado de un buen disipador de calor. La corriente de salida máxima es de 1 A.




