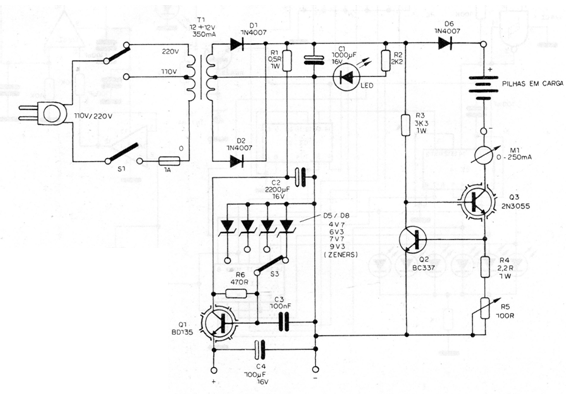
Este circuito doble fue encontrado en una documentación de 1989. Reúne en un solo proyecto una fuente de 6 a 12 V con 500 mA y un cargador de corriente constante para pilas de Nicad. El circuito utiliza componentes comunes en nuestros días.

Este circuito doble fue encontrado en una documentación de 1989. Reúne en un solo proyecto una fuente de 6 a 12 V con 500 mA y un cargador de corriente constante para pilas de Nicad. El circuito utiliza componentes comunes en nuestros días.
