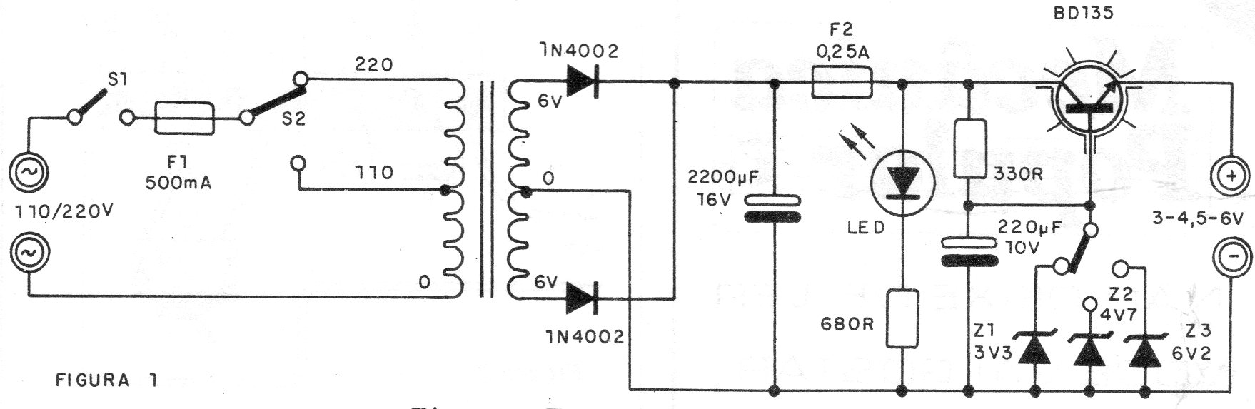
Este circuito de una documentación de 1986 proporciona tensiones de 3, 4, 5, 6 V bajo 350 mA para alimentación de walkmans y aparatos similares que usan pilas, El transistor de potencia debe estar dotado de disipador de calor y la selección de tensión se realiza por los zeners.




