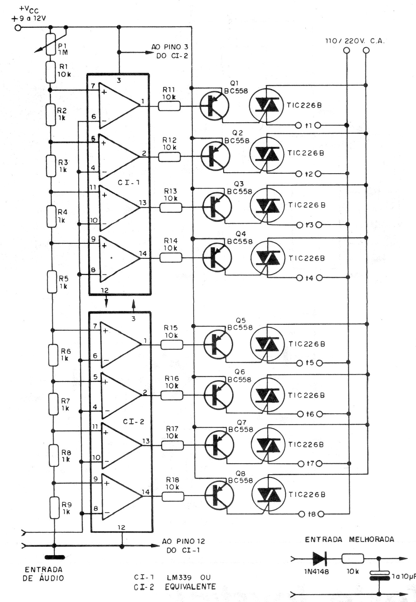
Este circuito dispara triacs lámparas incandescentes acompañando la señal de audio aplicada en su entrada. Los triacs deben estar dotados de disipadores de calor y el circuito no funciona con oros tipos de lámparas. El ajuste del accionamiento se realiza en el potenciómetro. Observe que el circuito no tiene aislamiento para la señal de entrada.




