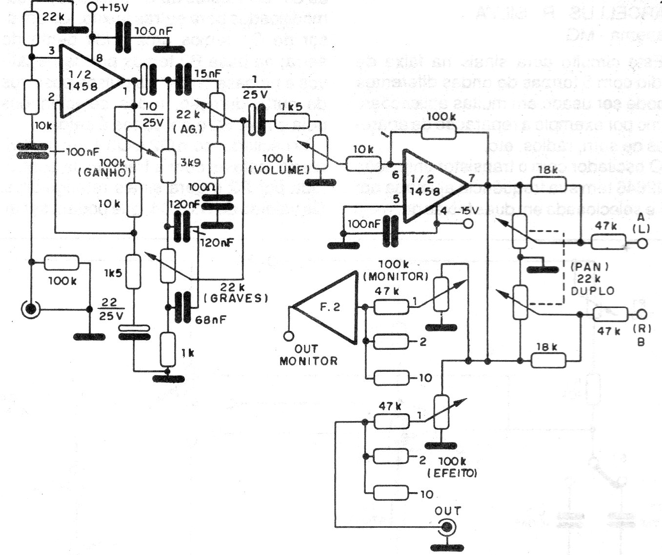
En realidad, menos canales pueden ser colocados en este circuito de 1989. Los componentes usados son todavía comunes y la cantidad de alimentación debe ser simétrica de 9 a 12 V. Cuidados con los blindajes de los cables de señal deben ser tomados para evitar la captación de hum. El LM1458 es un 741 doble.




