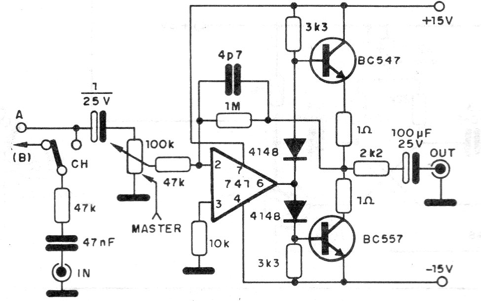
Este pequeño amplificador con salida usando transistores proporciona una potencia del orden de 1 o 2 W. El circuito se puede utilizar como monitor para el mezclador del CIR10539 o en otras aplicaciones. La fuente de alimentación debe ser simétrica de 6 a 12 V.




