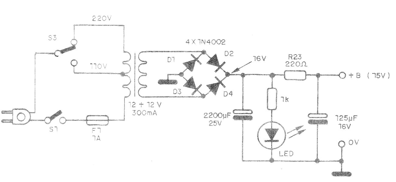
Esta fuente simple, sin regulación se indica para proyectos no críticos que exijan corrientes hasta 300 mA o poco más si el transformador es cambiado. El resistorR23 debe ser de 1 W por lo menos. El circuito está indicado para la alimentación del mezclador del CIR6183S.




