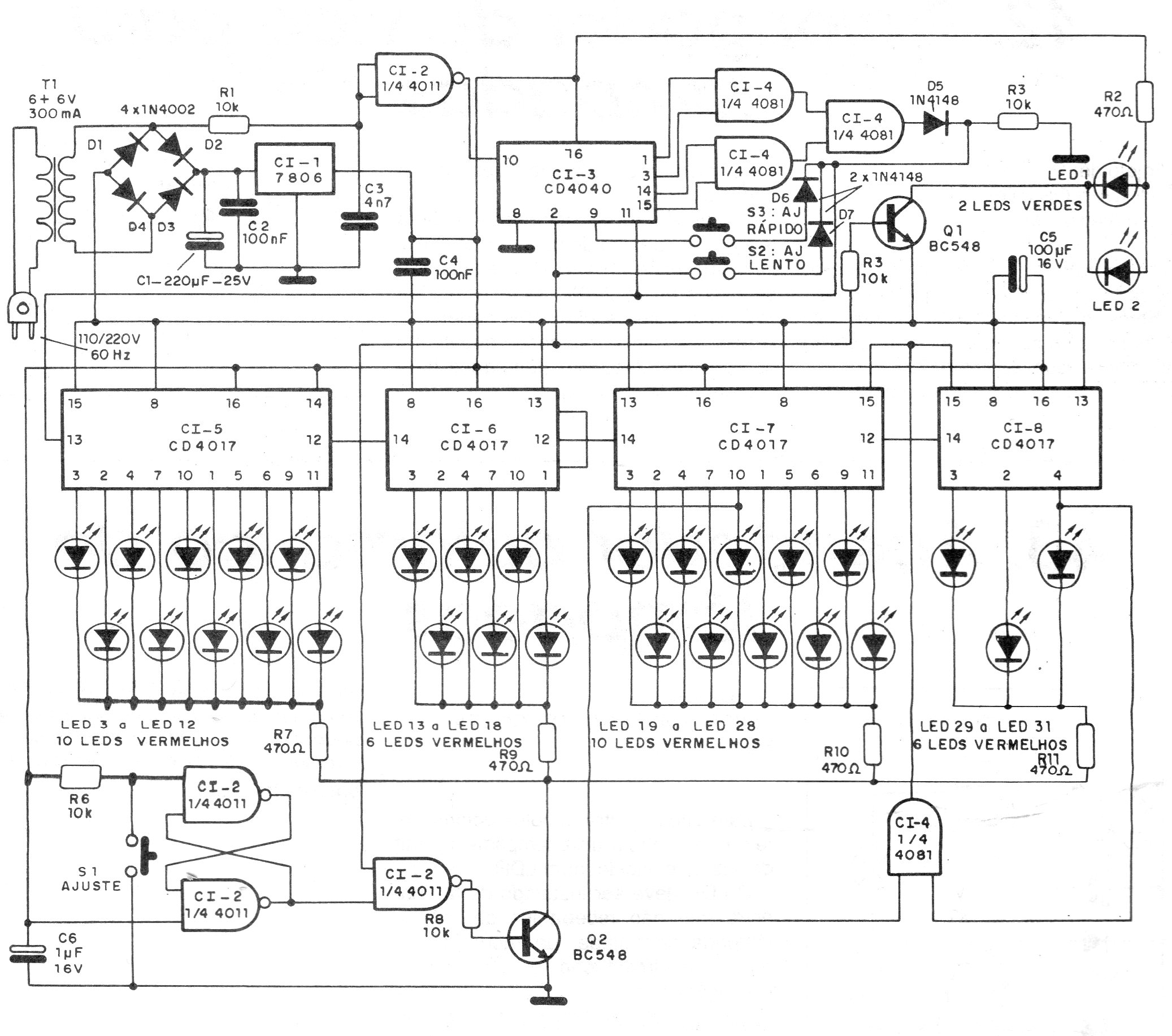
Este circuito de 1990 utiliza LEDs en un display con LEDs individuales que forman las horas y los minutos. El circuito se sincroniza con la frecuencia de la red de energía, lo que garantiza una buena precisión. Los componentes usados son CMOS todavía fáciles de encontrar en el mercado especializado. En la figura dada tenemos una idea de la esfera.




