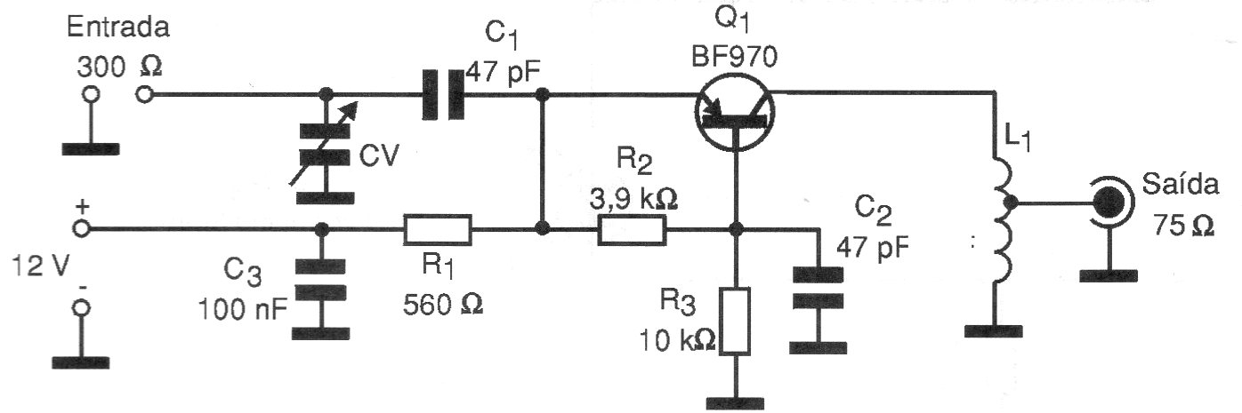
Este circuito debe ser alimentado por 12 V de fuente con corriente de 50 a 200 mA. El circuito amplifica señales en lugares de difícil recepción. La bobina L1 está formada por 11 espiras de hilo 24 o 26 en forma de 0,5 cm con núcleo de ferrita. La antena tiene un cable de 300 ohmios y para el receptor se utiliza un cable de 75 ohms.




