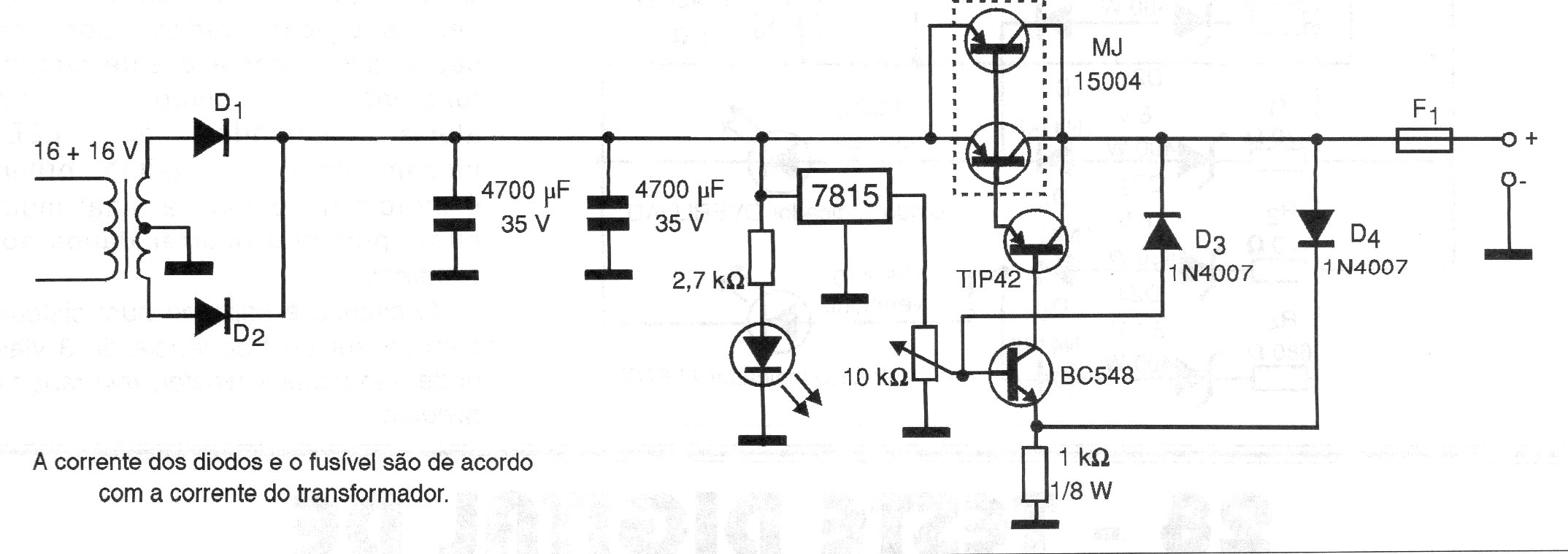
Esta fuente de alto rendimiento puede suministrar cadenas hasta 10 A. Los transistores de potencia deben estar dotados de buenos disipadores de calor y el transformador tiene secundario de 10 A. El circuito es de una documentación de 2000.
Con sólo un transistor (PNP o NPN) usted puede hacer un teléfono de juguete con buen rendimiento gracias...
En la figura 1 tenemos un oscilador controlado a cristal que puede generar señales en el rango de...
Este circuito se destina al control de cargas de corriente continua en el rango del 0 a 15 V con...