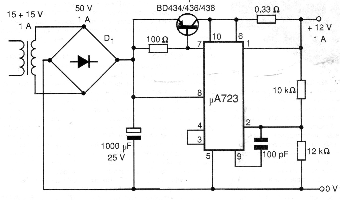
Esta fuente se basa en el circuito integrado 723, no más común en nuestros días. El transistor debe estar dotado de un disipador de calor y el puente puede estar formado por diodos 1N4002 o equivalentes.
Con sólo un transistor (PNP o NPN) usted puede hacer un teléfono de juguete con buen rendimiento gracias...
En la figura 1 tenemos un oscilador controlado a cristal que puede generar señales en el rango de...
Este circuito se destina al control de cargas de corriente continua en el rango del 0 a 15 V con...