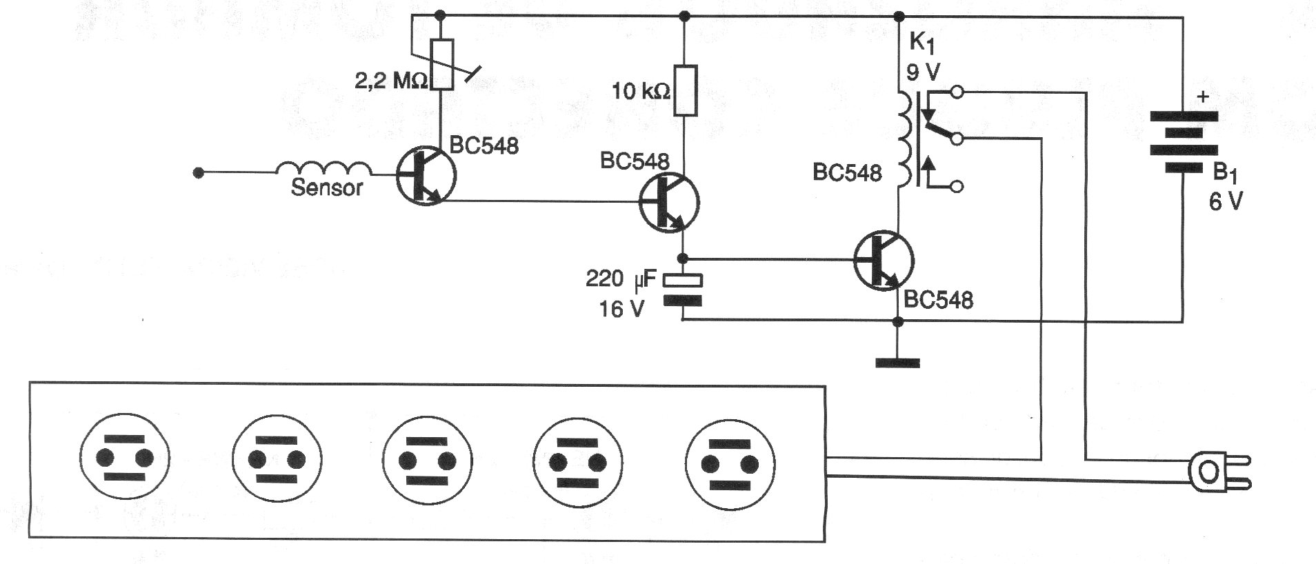
Encontramos este circuito en una documentación de 2002. Permite apagar los aparatos conectados a un conjunto de tomas por algunos segundos a partir de un toque en el sensor. El ajuste de la sensibilidad se realiza en el trimpot y el tiempo depende del condensador. El relé es del tipo sensible de 6 V.




