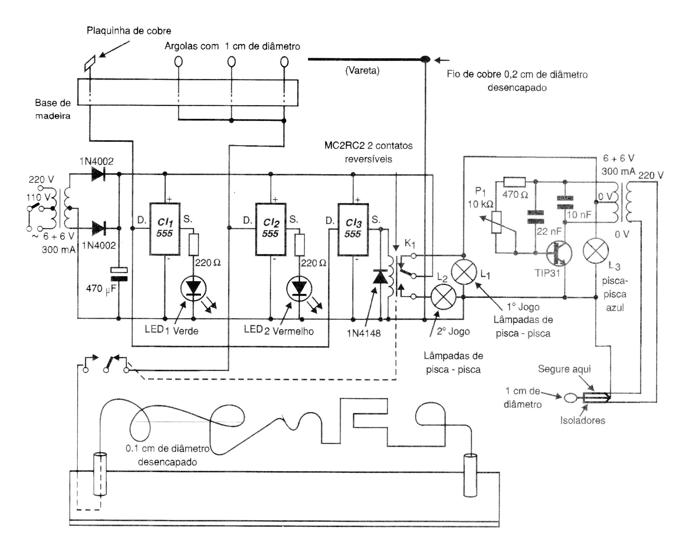
La primera finalidad de este juego de una publicación de 2001 es pasar la varilla entre las anillas acertando el blanco sin dejar reposar en los anillos. Estas anillas deben estar alineadas. La segunda finalidad es el conocido nervio-test, pasando una anilla por alambres tortuosos sin tocar. El circuito incluye su fuente de alimentación.




