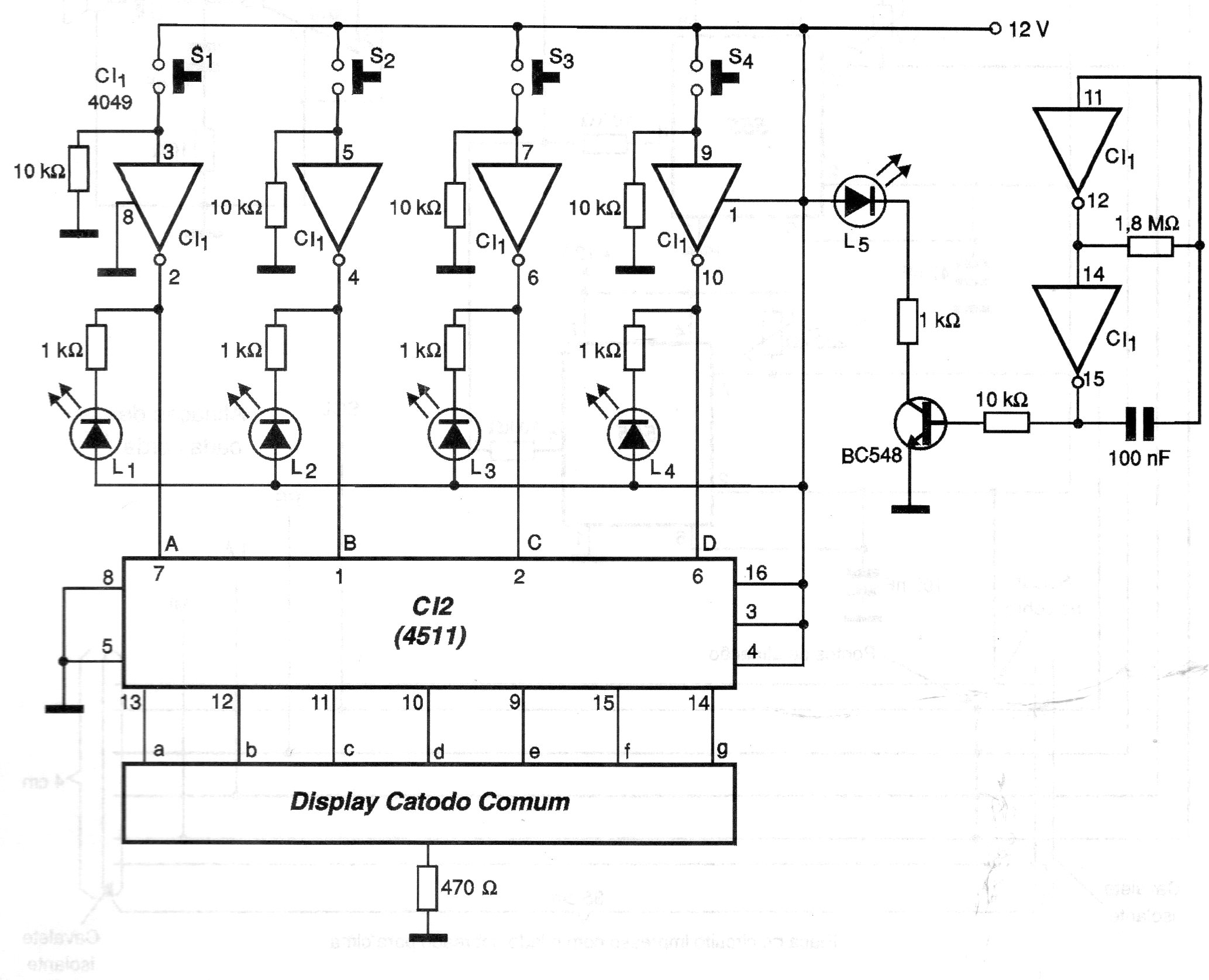
Este circuito didáctico fue encontrado en una documentación de 2001. Él presenta el resultado de una programación en binario a través de llaves tanto en forma binaria como decimal. El display es de 7 segmentos y la alimentación, en realidad, puede ser hecha por tensiones de 6 a 12 V.




