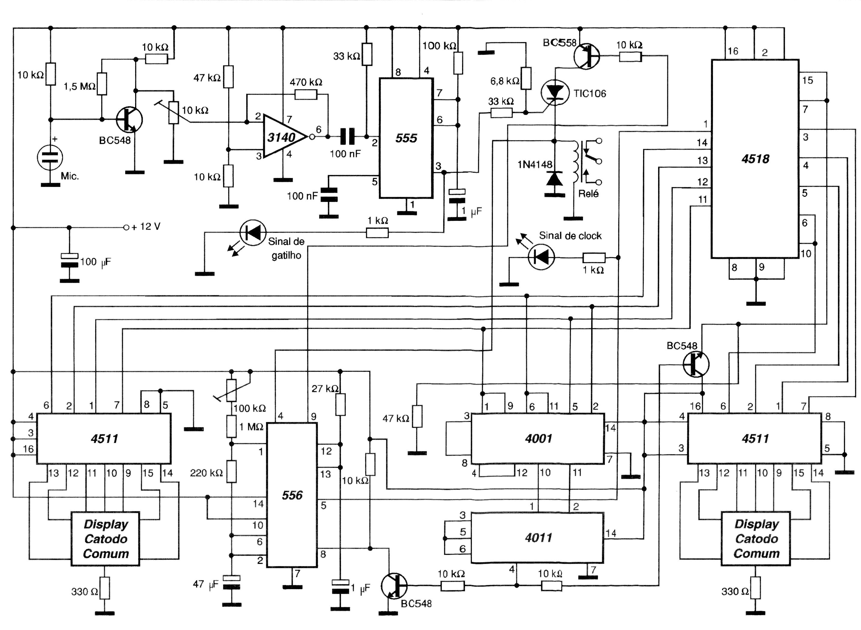
Esta sofisticada clave sónica temporizada fue encontrada en una documentación de 2001. Tiene un temporizador con display que la apaga después de 1 hora después del disparo. Los ajustes son de tiempo y sensibilidad y el circuito debe ser alimentado por una tensión de 12 V. El micrófono utilizado es de electreto.




