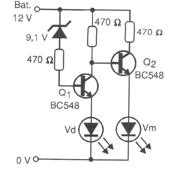
Este simple circuito indicador utiliza dos transistores indicando cuando la tensión de una batería de 12 V está por debajo de 10 V. El diodo zener determina el punto de accionamiento y los LED son comunes a dos colores.

Este simple circuito indicador utiliza dos transistores indicando cuando la tensión de una batería de 12 V está por debajo de 10 V. El diodo zener determina el punto de accionamiento y los LED son comunes a dos colores.
