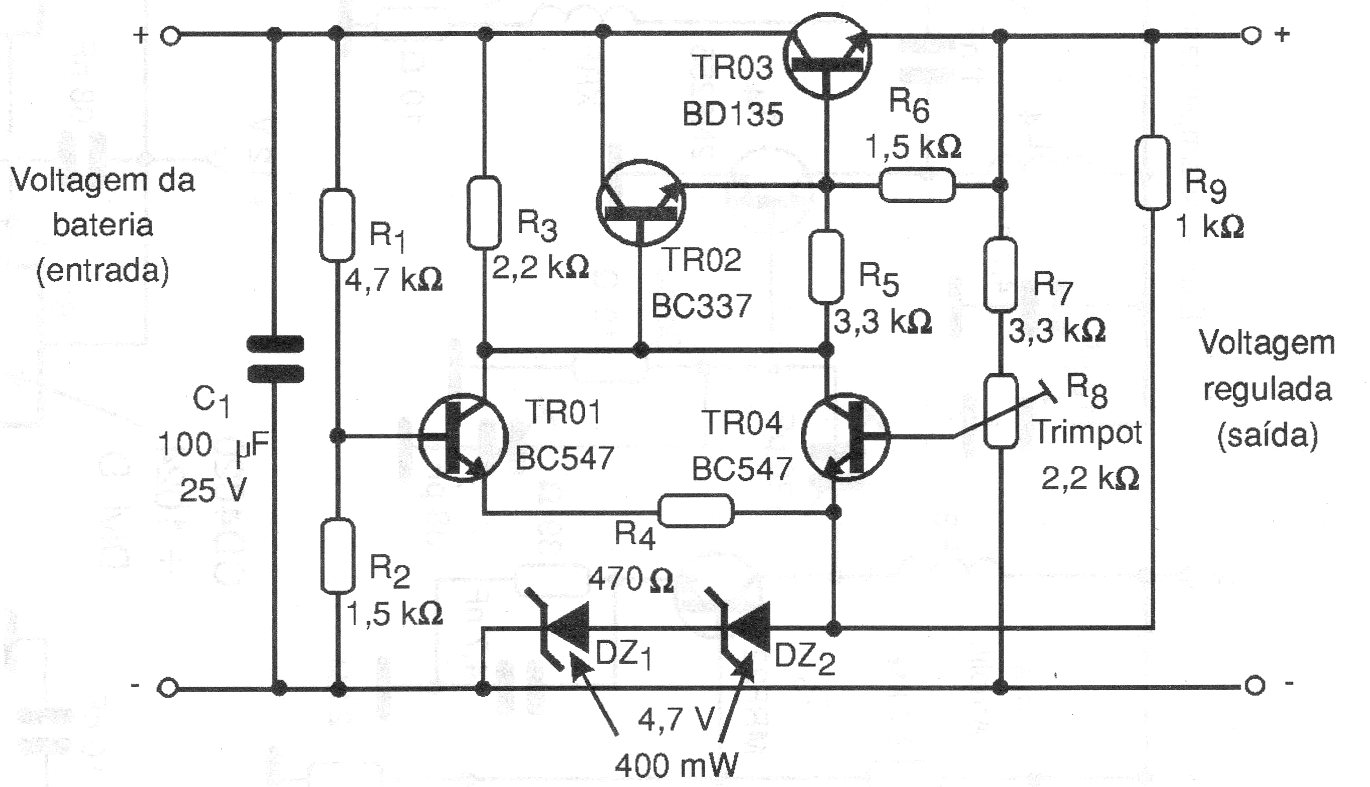
Según el autor de este proyecto de 1999, muchos circuitos alimentados por baterías de 9 V son sensibles a las variaciones de tensión de esas baterías. El circuito en cuestión mantiene la salida hasta el punto en que la tensión cae a 6,5 V, lo que se ajusta en el trimpot. El circuito se puede cambiar para operar con otras tensiones.




