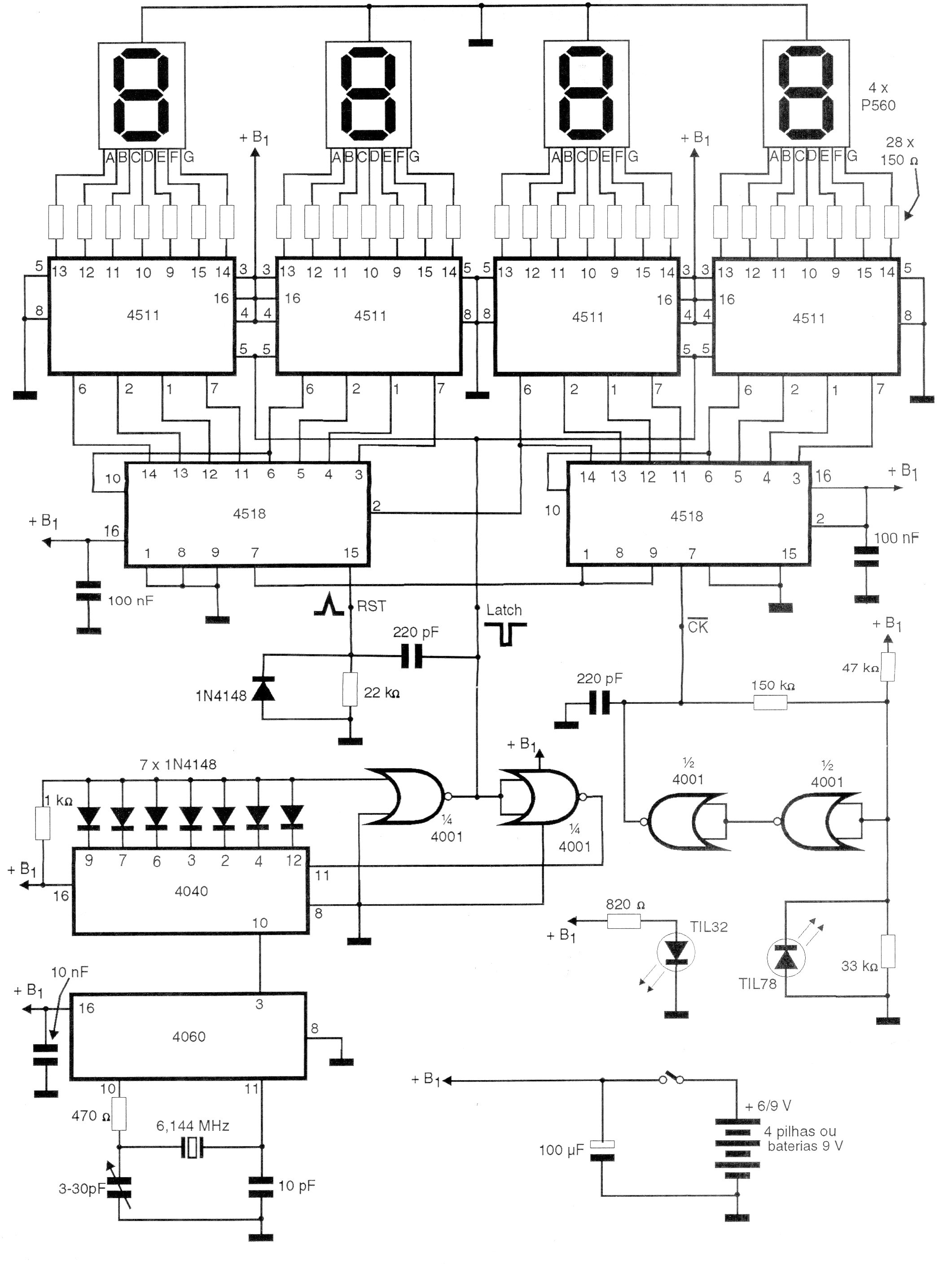
Este contador de 4 dígitos, utilizando tecnología CMOS, fue encontrado en una documentación de 1997. El circuito es bastante preciso, siendo alimentado por 4 pilas o fuente de 6 V. Los displays son de cátodo común y la entrada debe ser formada por pulsos perfectamente rectangulares.




