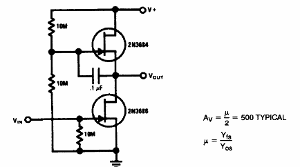
El circuito mostrado tiene una ganancia de tensión de 500 veces y puede utilizar FET equivalentes como los BF245. El circuito es sugerido por National Semiconductor en su Linear Applications Handbook de 1994.

El circuito mostrado tiene una ganancia de tensión de 500 veces y puede utilizar FET equivalentes como los BF245. El circuito es sugerido por National Semiconductor en su Linear Applications Handbook de 1994.
