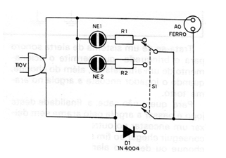
Este circuito simple fue encontrado en una publicación de 1981. Según los lectores pueden ver, tenemos una llave H y dos I bombillas neón de monitoreo en este circuito. Con la llave en la posición A, el hierro recibe toda la carga de la red, funcionando por lo tanto con la potencia máxima. La bombilla neón NE-1 se enciende indicando esto. En la posición B de la llave el diodo es conectado en serie con el hierro de modo que éste pasa a recibir sólo los semiciclos positivos de la alimentación. En este caso tenemos su funcionamiento en potencia reducida o espera con la neón NE-2 indicando eso. El diodo usado puede ser cualquiera con una corriente de 1 A y tensión inversa de acuerdo a su red. Para la red de 110 V sugerimos el 1N4004 o 1N4007 y para la red de 220 V o1N4007 o BY127. Los resistores R1 y R2 determinan el brillo de la bombilla neón, siendo el valor recomendado de 180 k. Los valores en el rango de 100 k a los 470 k pueden ser experimentados. Con respecto a la neón, esta puede ser de cualquier tipo con terminales paralelos sin el resistor interno que existe en algunas de ellas. La bombilla neón NE-2H se adapta perfectamente a esta aplicación.




