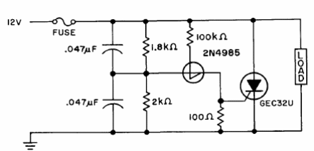
El circuito presentado dispara el SCR, quemando el fusible cuando la tensión de entrada sobrepasa valores en el rango de 13,2 a 14 V. El circuito es de un manual de semiconductores de la GE de 1977.

El circuito presentado dispara el SCR, quemando el fusible cuando la tensión de entrada sobrepasa valores en el rango de 13,2 a 14 V. El circuito es de un manual de semiconductores de la GE de 1977.
