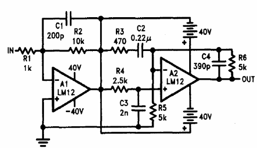
Con la configuración mostrada se puede doblar la capacidad de salida de los LM12 que es de 4 A. El circuito es del Linear Applications Handbook de National Semiconductor de 1994.

Con la configuración mostrada se puede doblar la capacidad de salida de los LM12 que es de 4 A. El circuito es del Linear Applications Handbook de National Semiconductor de 1994.
