Existen aplicaciones en las que se desea hacer que un relé común opere a partir de un pulso, cerrando sus contactos y trabando en esa condición. En este artículo se muestra cómo obtener este efecto de bloqueo para un relé común.
El efecto de bloqueo o "latch" es muy interesante para ciertas aplicaciones. Para que el lector tenga una idea veamos cómo funciona.
Cuando energizamos la bobina de un relé común, él cierra sus contactos, y así permanece solamente como circular corriente.
Cuando la corriente cortada el relé abre sus contactos.
Si queremos tener el relé cerrado después de que la corriente sea cortada, es decir, si queremos coger el relé después de accionado, necesitamos un circuito especial.
El circuito que describimos aprovecha los contactos NA de un relé de dos contactos reversibles (cualquier tipo para 6 o 12 V sirve para esta aplicación).
Obtenemos una retroalimentación del circuito que, mantiene la bobina energizada, incluso después de que la corriente de disparo sea cortada.
Montaje
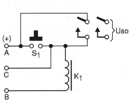
En la figura 1 tenemos el diagrama completo del relé con traba.

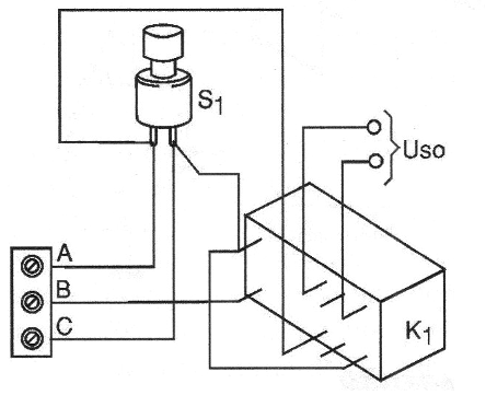
En la figura 2 tenemos el aspecto real de los componentes en su conexión para formar este circuito.

En este circuito básico alimentamos el relé entre A y B, donde aplicamos una tensión de 6 o 12 V según el tipo de relé usado.
Cuando presionamos S1 el relé cierra sus contactos y se bloquea. Incluso después de soltar S1 se mantiene con los contactos cerrados.
Para desarmar el relé es necesario cortar la alimentación por un instante.
Una opción de cambio para el circuito puede funcionar con un pulso de tensión se hace de la siguiente manera:
Eliminamos S1. El pulso de mando de entrada que debe tener la tensión de operación del relé pasa a ser aplicado en C.
Conectamos el punto A al positivo de la alimentación del circuito. Un diodo de protección entre A y la entrada del pulso puede ser necesario, según la aplicación.
Cuando aplicamos un pulso en C el relé se dispara y se autoalimenta a través de A.
Para apagar el circuito se debe interrumpir la alimentación por un instante en A.
Otra manera de apagar el circuito consiste en poner en corto la bobina del relé por un instante.
K1 - relé de 6 o 12 V sensible - cualquier tipo
S1 - Interruptor de presión NA
Varios:
Puente de terminales, hilos, caja para montaje, soldadura, etc.



