La presencia de objetos extraños en una sala como micrófonos ocultos, cables, objetos de metal, etc. es algo con que todo espía el investigador debe preocuparse. También es importante tener medios para detectar objetos metálicos en paquetes, maletas y otros lugares, ya que pueden indicar la presencia de armas y objetos peligrosos.
El simple detector de metales que describimos aquí tiene un alcance del orden de 10 a 15 cm, lo que es suficiente para acusar la presencia de objetos dentro de paredes, muebles y paquetes.
La principal ventaja de este circuito está en el hecho de que es extremadamente simple, ya que hace uso de un radio transistorizado común como elemento indicador.
Un circuito más elaborado será dado en el proyecto siguiente, observándose la necesidad del lector ya tener para su montaje mayor experiencia con circuitos, pues se trata de montaje más crítico.
Así, para los lectores con menos experiencia en electrónica, este es el proyecto indicado.
Montado en una cajita y preso a una radio AM común pequeña a través de un elástico, este circuito puede detectar la presencia de los objetos por el cambio de la señal reproducido en el altavoz del radito.
Como funciona
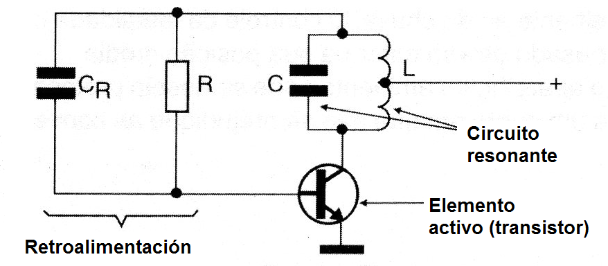
Un circuito oscilador de radio frecuencia, es decir, que genera señales de radio, normalmente emplea un circuito LC (Bobina-Capacitor) para determinar su frecuencia de operación.
Así, en un circuito Hartley, como lo que usamos en este proyecto, la frecuencia depende tanto de la inductancia de la bobina como del ajuste del capacitor CV, como se muestra en la figura 1.
Sin embargo, la bobina presenta una inductancia que depende de diversos factores como, por ejemplo, la presencia de objetos en sus proximidades los cuales puedan alterar la concentración de las líneas de fuerza del campo magnético que ella genera.
Así, la presencia de objetos metálicos en las proximidades de una bobina, como muestra la figura 2, altera la inductancia de la bobina y con ello la frecuencia del circuito oscilador en el que está conectada.

Basta entonces acercar esa bobina desde cualquier lugar que, si en él existe un objeto de metal que pueda modificar su campo magnético, para que la frecuencia del oscilador cambie.
Es justamente ese el principio de funcionamiento aprovechado en nuestro detector de metales.
Tendremos una bobina que estará conectada en un circuito que genera una señal captada por un radito colocado en sus proximidades. Si esta bobina se aproxima a cualquier objeto de metal, la frecuencia del oscilador cambia y esto será detectado por el radito, pues la señal saldrá de la frecuencia sintonizada.
La sensibilidad del circuito depende de diversos factores como de la selectividad del radito y del propio tamaño de la bobina.
Con las dimensiones dadas para la bobina, incluso una simple moneda colocada en sus proximidades será suficiente para tener un cambio sensible de la frecuencia de operación del oscilador.
El circuito
El circuito consiste en un oscilador Hartley en el que la frecuencia se ajusta para caer dentro de la banda de ondas medias. A través del ajuste de un capacitor variable se busca una frecuencia libre en la banda.
La señal consiste simplemente en la portadora de RF que, al ser captada, simplemente, cubre el ruido de fondo que normalmente existe cuando el receptor está fuera de estación.
Como la radio se encuentra junto al oscilador, no necesita ser de gran potencia. Sólo cuatro pilas son suficientes para alimentarlo y proporcionar con ello los resultados esperados.
La realimentación que mantiene el circuito oscilante es dada por la derivación de la bobina y el capacitor C1 junto con R1.
Montaje
En la figura 3 tenemos el circuito completo del oscilador que es alimentado por pilas comunes.

La placa de circuito impreso para este montaje se muestra en la figura 4, si bien otras técnicas de montaje pueden ser adoptadas, ya que se trata de circuito bastante simple.

La bobina está formada por 20 + 20 espiras de hilo 28 o más fino en una forma de plástico de 15 a 30 cm de diámetro. Una forma de pastel de plástico sirve perfectamente para ese propósito.
En la figura 5 mostramos cómo el lector puede enrollar esa bobina en la forma y sobre ella fijar la cajita de plásticos con los demás componentes del circuito y la propia radio AM.

Los capacitores deben ser cerámicos y el transistor admite equivalentes como el 2N2222, BF494, siempre que la disposición de las terminales sea observada.
El capacitor variable se puede obtener de cualquier radio AM transistorizada fuera de uso. Sólo tenga cuidado para utilizar la sección de AM y no FM para obtener una mayor gama de variaciones de frecuencias.
Prueba y uso
Para probar, basta con conectar el circuito y la radio AM sintonizada fuera de la estación.
Accione S1 y ajuste CV hasta que capte la señal del oscilador. Esta señal se reconocerá fácilmente, ya que se tapa el ruído de fondo, que se produce cuando el receptor está fuera de la estación.
Haga pruebas con objetos metálicos, acercándolos a la bobina para comprobar la sensibilidad del aparato. La presencia de los objetos hace que la señal sintonizada "escape" de la sintonía.
Para utilizar, basta con conectar el circuito, ajustar CV para que la señal sea captada en una frecuencia libre de la banda de AM, y acercar la bobina del lugar en que se desea investigar la presencia de metales. La fuga de la señal indica la presencia de metal.
Q1 - BC548 o equivalente - transistores NPN de uso general
CV - Capacitor variable de radio AM
S1 - Interruptor simple
R1 - 22 k ohms x 1/8 W - resistor - rojo, rojo, naranja
C1 - 2,2 nF - capacitor de cerámica
C2 - 100 nF - capacitor de cerámica
B1 - 6 V - 4 pilas pequeñas
L1 - Ver texto
Varios: radio AM transistorizado, placa de circuito impreso, soporte de pilas, caja para montaje, hilos, soldadura, etc.




