A falta de un diodo zener para referencia en una fuente de alimentación, existen diversos medios para simular este componente. Damos en el circuito a continuación una solución interesante que permite obtener un zener con la tensión deseada a partir de componentes comunes. El artículo es uno de los proyectos publicados en el libro Fuentes de Alimentación de nuestra autoría.
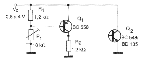
El circuito mostrado en la figura 1 tiene cierto grado de sofisticación en relación a un zener común, pues puede ser ajustado con cierta precisión y es capaz de manejar una corriente hasta 100 mA.

Su montaje se puede hacer en una pequeña placa de circuito impreso como se muestra en la figura 2.

La tensión zener de este circuito simulador puede ajustarse entre 0,6 y 4 V típicamente. Tensiones mayores se pueden obtener con cambio del valor de R1 y R2. El transistor Q2 debe montarse en un pequeño radiador de calor, principalmente si el circuito funciona con su capacidad máxima de corriente, y se utiliza un transistor de media potencia BD.
Observamos que, a pesar de simular un diodo zener la linealidad de este circuito no es tan buena como la de un componente real. Así, la tensión zener ajustada puede variar sensiblemente con los cambios de la tensión de entrada y de la propia corriente en el circuito. Para mayor precisión en el ajuste el trimpot común puede ser sustituido por uno del tipo multi-vueltas.
Se observa que el diodo zener también puede simularse de forma inversa con el uso de un transistor NPN a Q1 (BC548, por ejemplo) y un PNP para Q2 (BD136, por ejemplo).
Q1 - BC558 - transistores PNP de uso general
Q2 - BC548 o BD135 - transistores NPN de uso general (hasta 50 mA) o media potencia (hasta 100 mA)
R1, R2 -1,2 k ohms x 1/8 W - resistor - marrón, rojo, rojo
P1 - 10 k ohms - trimpot
Varios:
Placa de circuito impreso, radiador de calor para Q2 (si es necesario), hilos, soldadura, etc.



