La crisis energética mundial, aunque ya no ocupa los titulares de los diarios, se ha instalado de forma definitiva en nuestras vidas. Nos ha dejado además una sana lección: que la energía nunca es gratuita, sino que debe crearse a partir de otra energía, ya sea hidrocarburos u otros combustibles, o bien con obras como plantas nucleares, represas, etc. A nivel individual, todos hemos tenido que enfrentarnos tanto a tarifas cada vez mayores, como a la falta o racionamiento de corriente eléctrica. Les ofrecemos estos sencillos proyectos para economizar electricidad, como un pequeño aporte nuestro al problema.
En muchas situaciones ocurren gastos desnecesarios de energía eléctrica que pueden ser evitados mediante una pequeña inversión. a veces menor que el gasto de energía que ocurriría sin su presencia. Está claro que el requisito principal de un sistema que busca economizar energía debe ser justamente este: debe ser menos costoso quela energía que se pretende economizar en un plazo razonable.
Este requisito es tenido en cuenta en nuestros proyectos, principalmente dado que muchos de los componentes que recomendamos se pueden obtener de aparatos usados, lo que representa un costo nulo.
Importante: los proyectos no buscan solamente la economía del que los usa, sino que pueden también significar ganarse algo de dinero si algún lector se propone su montaje e instalación para terceros, con sólo algunos conocimientos técnicos indispensables.
REDUCTOR DE LUZ
Nota: esto circuito solo funciona con lámparas incandescentes.
En una sala de estar u otras dependencias de su casa, usted no precisa obligatoriamente del nivel total de iluminación en todas las ocasiones. A no ser que esté leyendo o realizando alguna tarea que exige mayor luminosidad, la utilización de la lámpara con la mitad de su brillo o potencia es perfectamente viable y representa por 10 menos 50% de economía de energía.
La inversión para obtener esta economía es solamente un diodo de silicio de bajo costo, si el lector ya dispone de un interruptor de pared doble fuera de uso. Si no, este será una inversión adicional.
El circuito aparece en la figura 1 y funciona de la siguiente manera:

El interruptor S1 pasa a controlar normalmente el encendido de la lámpara, o sea, enciende y apaga la lámpara del lugar en cuestión. El segundo interruptor tiene por función modificar el brillo y por lo tanto el consumo de la lámpara. Con el interruptor S2 cerrado, el diodo está en corto y la lámpara recibe alimentación total. Su brillo es máximo (100%).
Con el interruptor abierto la corriente pasa por el diodo, que conduce mitad de los semiciclos de la alimentación alterna. En estas condiciones la lámpara recibe mitad de la alimentación y se enciende con el 50% de su brillo normal.
La energía no consumida es absorbida por el componente, de modo que tenemos una ganancia real de 50% para la energía economizada. En la figura 2 tenemos el modo de hacer el montaje de este sistema.

Para la red de 110 V podemos usar el diodo 1N4004, 1N4007 ó BY127. Para la red de 220 V el diodo puede ser el 1N4007 ó BY127. Con estos diodos podemos usar el sistema solamente con lámparas incandescentes (de filamento) de hasta 100 W en la red de 110 V y de 200 W en la red de 220 V. ¡No usar el sistema con lámparas mixtas o fluorescentes!
INTERRUPTOR CREPUSCULAR
Si el lector tiene que dejar encendida una lámpara por un fin de semana entero, como por ejemplo en la vidriera de una tienda. en una casa de campo, en la puerta de calle durante un fin de semana ausente, el 50% de la energía gastada puede ser economizada con la utilización de un dispositivo que encienda la luz solamente cuando anochece y la apague al amanecer.
En la figura 3 tenemos el diagrama completo del aparato.

La disposición de los componentes en una placa de circuito impreso se muestra en la Figura 4.

El sensor es un LDR común que debe ser instalado de modo que reciba la luz ambiente y no la luz producida por la propia lámpara (o lámparas) que debe controlar. Si esto no ocurre, la realimentación causará oscilaciones que harán que el relé abra y cierre sus contactos de modo intermitente.
El relé es del tipo económico de 6V que admite corriente de hasta 4 Amperes en sus contactos. Esto significa una potencia máxima de lámparas controladas de 400 W en la red de 110 V y el doble en la red de 220 V.
El resistor es de 1/8 W y el potenciômetro permite controlar la sensibilidad del sistema. Los diodos D1 y D2 son rectificadores comunes de silicio y D3 es de uso general. El transformador tiene secundario de 6 + 6 V con corriente de 200 mA o más. El consumo de energía del aparato en la condición de espera depende del transformador y es del orden de 3 a 4W solamente.
TIMER PARA LAMPARAS
Las luces que iluminan corredores de paso, zaguanes de espera de ascensores o incluso vestíbulos no necesitan quedar encendidas por un tiempo mayor que el suficiente para atender a un eventual pasante. Se puede obtener una buena economía de energía con la temporización de este tipo de luz. El circuito que presentamos en la figura 5 permite temporizaciones de hasta algunos minutos, usando lámparas comunes.

En la figura 6 tenemos la disposición de los componentes usados en este montaje.

El SCR debe ser el TIC106B si la red fuera de 110 V y el TIC106D si la red fuera de 220 V. Será necesario un pequeño disipador de calor, y la lámpara debe tener una potencia máxima de 200 W (no usar lámparas mixtas o fluorescentes).
La lámpara neón es común NE-2H o equivalente y el valor del capacitor C1 determina el tiempo de accionamiento de la lámpara. Capacitores de 8 a 40 µF serán lo mejor, siempre que la tensión de aislamiento sea de por 10 menos 250 V en la red de 110 V, ó 400 V si la red fuera de 220 V.
Estos capacitores pueden ser encontrados en los circuitos de fuentes de televisores valvulares viejos. El lector debe solamente tener cuidado de verificar si todavía se encuentran en buen estado (pruebe el aislamiento, pues las fugas reducen el tiempo de retención de la carga y por lo tanto de accionamiento).
El interruptor S1 es de presión, del tipo botón de timbre. Cuando se lo presiona, el mismo carga el capacitor que se descarga luego lentamente a través de R1 disparando el SCR que controla la lámpara.
TIMER PARATV O SISTEMA DE AUDIO
No son pocos los lectores que se duermen con el televisor encendido, para descubrir el hecho recién a la mariana siguiente, después de muchas horas de desperdicio de energía. Con el aparato que proponemos este problema no existirá más. Conecte el televisor al aparato y antes de alimentarlo. Presione por un instante S1, l0 que liberará energía para su funcionamiento.
Puede ahora ver su programa durante aproximadamente una hora antes de que se corte la energía. Si todavía está despierto y quiere seguir mirando TV basta presionar nuevamente S1 por un instante y tendrá una hora más de provisión de energía. Si ya estuviera dormido, el sistema será desconectado totalmente (inclusive el propio timer) sin gastos innecesarios de electricidad.
En la figura 7 tenemos el diagrama completo de este aparato.

La disposición de los componentes en una placa de circuito impreso se muestra en la figura 8.

El transformador es de 250 mA o un poco más, consumiendo aproximadamente 3 ó 4W solamente. Los resistores son de 1/8 ó 1/4W con 10 o 20% de tolerancia, y los electrolíticos deben tener una tensión de trabajo de 12 V o más. P1 de 2,2M ajusta los tiempos.
Observamos que C2 debe ser de buena calidad pues las fugas pueden reducir el tiempo máximo obtenido por el temporizador.
El relé usado admite el control de electrodomésticos cuya comente sea de hasta 4 A Verifique entonces antes de usarlo.
S1 debe ser un interruptor de presión doble y el integrado debe ser montado en un zócalo.
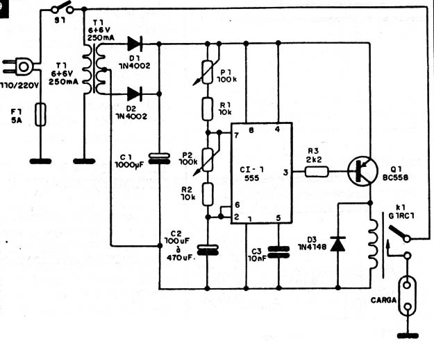
INTERMITENTE PARA ELECTRODOMESTICOS
En los lugares calientes la utilización continua de un ventilador puede ser innecesaria, ya que la circulación de aire por algunos momentos en intervalos regulares puede ser suficiente para obtener una situación cómoda.
De esta forma la utilización continua de este dispositivo significa un gasto innecesario de energía. El circuito que proponemos hace el accionamiento de una carga cualquiera en intervalos ajustables y también tiempos en que la misma queda accionada. Tenemos pues un ciclo activo perfectamente determinado.
El circuito completo del intermitente es mostrado en la figura 9.

Su montaje en placa de circuito impreso aparece en la figura 10.

El relé empleado admite su utilización en cargas de hasta 4A lo que significa 400 W en la red de 110 V y 800 W en 220 V.




