Este interesante circuito hace que una lámpara fluorescente guiñe a intervalos regulares, con alimentación a partir de una batería de 12 V. Podemos usarlo como un excelente dispositivo de señalización para obras en vías públicas, en vehículos con problemas y hasta para llamar la atención en vidrieras y exposiciones. El circuito es compacto y puede alojarse fácilmente en una caja de pequeñas dimensiones.
Un buen inversor para alimentar lámparas fluorescentes puede hacerse basándose en transistores potentes, pero normalmente la modulación de estos inversores para la producción de flashes trae algunos problemas adicionales.
En este artículo describimos una simple solución para obtener trenes de pulsos de alta tensión para la alimentación de una lámpara fluorescente con buen rendimiento usando solamente un circuito integrado y un transistor Darlington.
El resultado final es un excelente dispositivo de señalización alimentado por batería y lo bastante compacto para ser instalado en una pequeña caja plástica.
Otra característica importante de este tipo de circuito es que las lámparas usadas no precisan ser obligatoriamente nuevas. Hasta lámparas débiles, que ya no encienden mas en las instalaciones domésticas podrán brillar fuertemente en este circuito gracias a los picos de alta tensión que produce.
Cómo Funciona
Un pequeño transformador usado en la elevación de tensión precisa ser alimentado con una señal de frecuencia relativamente alta para tener buen rendimiento. Elegimos la frecuencia de aproximadamente 800 Hz en nuestro caso y a partir de eso elaboramos el circuito de excitación.
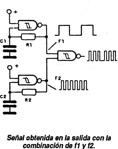
Así, tenemos dos osciladores basados en las puertas disparadoras de un integrado CMOS 4093 y que tiene la configuración mostrada en la figura 1.

La primera puerta es usada como un oscilador de frecuencia fija de aproximadamente 800 Hz. Esta frecuencia es dada por R1 y C1. El segundo oscilador tiene una frecuencia ajustable bastante más baja, y que opera entre 0.1 y 4Hz. Este segundo oscilador será responsable por los guiños de señalización.
La frecuencia del segundo oscilador está dada básicamente por C2, R2 y P1, siendo este último componente utilizado en su ajuste.
Las señales de los dos osciladores son combinadas en una tercera puerta del mismo Integrado de modo de obtener trenes de pulsos según muestra la figura 2.

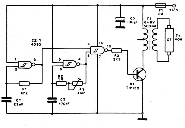
Los pulsos rectangulares de baja intensidad obtenidos de esta puerta son aplicados a la base de un transistor Darlington de potencia de! tipo T1P120.
La carga de este transistor, conectada en su colector es el bobinado de baja tensión de un pequeño transformador de alimentación primario de 220 V. En el bobinado secundario se conectará la lámpara fluorescente que puede tener potencias en la banda de 7 a 40 W.
La potencia del circuito es de algunos watts apenas, lo que quiere decir que las lámparas mayores se encenderán con menor brillo.
Para proteger el circuito en caso de cortes, se usa un fusible de entrada.
Con alimentador de 12 V obtenemos el rendimiento ideal de! circuito, pero en algunos casos el mismo también funcionará con tensiones menores de 9 V y hasta incluso com 6 V, en cuyo caso se puede hacer su utilización con pilas, pero el brillo de la lámpara fluorescente también será menor.
Una sugerencia interesante para obtener doble función de este circuito es agregar una llavecita que desconecte el pin 9 del integrado del 4 del mismo componente y haga su conexión permanente al (+) de la alimentación. Con esto la lámpara encenderá de modo continuo y el aparato se transformará en un simple inversor de lámparas fluorescentes, del tipo de las linternas-baliza importadas.
Montaje
En la figura 3, mostramos el diagrama completo de este inversor.

La placa de circuito impreso se muestra en la figura 4.

Sugerimos la utilización de zócalo para el integrado, para evitar el calor en el momento de la soldadura. El transistor TIPIZO debe ser dotado de un pequeño disipador de calor.
Los capacitores C1 y C2 pueden ser de poliéster o cerámicos, mientras que C3 puede ser un electrolítico para 12V o más.
Los resistores son todos de 1/8 ó 1/4W y Pl es un trimpot común.
Para el fusible se debe usar el soporte apropiado, y el transformador T1 no es crítico ya que también secundarios de 7,5 ó 9 V y las corrientes pueden estar en la banda de 500 mA a 1 A.
El conjunto puede instalarse en una caja plástica según muestra la figura 5.

Para la conexión a la lámpara debe usarse cable de alta aislación ya que la alta tensión presente puede causar choques desagradables.
Prueba y Uso
Para probar el aparato basta conectarlo a una fuente de 12 V con pelo menos 1 A de capacidad de corriente.
Se ajusta P1 para obtener las giñadas en el ritmo deseado. Estas guiñadas son acompañadas de un pequeño zumbido en el transformador.

1991



