Hace más de 10 años, Ibrape de Brasil lanzaba en el mercado el excelente kit de preamplificador denominado M-204. El amplificador M-320, inicialmente proyectado para operar con otro kit de éxito de la misma empresa, el amplificador M-320, el preamplificador M-204 reveló una gama mucho mayor de aplicaciones, ya que podría ser utilizado con diversos tipos de fuentes de señales y en prácticamente cualquier tipo de amplificador de audio. Como todavía hoy se trata de proyecto actual, si bien ya no existe el kit, con la utilización de componentes más modernos podemos perfectamente, y sin miedo de desagradar, traer de vuelta el M-204.
El preamplificador M-204 utiliza dos transistores, pudiendo ser alimentado con tensiones entre 9 y 19 voltios y utilizado con prácticamente cualquier amplificador que tenga sensibilidad de entrada entre 200 y 300 mV.
Podemos usarlo para excitar los amplificadores a partir de fuentes de señales de baja intensidad como:
-Cápsulas de reticencia variable
-Cabezas grabadoras
-Micrófonos magnéticos o dinámicos
-Captadores telefónicos
-Captadores para instrumentos musicales
Como el circuito en su versión básica es estereofónico, los dos canales también pueden ser interconectados formando así un excelente mezclador.
Sus características técnicas son:
Tensión de alimentación: .9 a 19 V
Corriente de consumo: 0,8 a 1,3 mA
Ganancia (1 kHz / 250 mV): 35 dB
Sensibilidad de entrada (1kHz / 25mV): 4,3 mV
Impedancia de entrada: 47k
Tensión máxima de entrada: 30 a 60 mV
Tensión nominal de salida: 25OmV
Tensión máxima de salida. 2 a 3 V
Impedancia de salida (carga): 100 k
Relación señal / ruido: 80 dB
Distorsión (1 kHz / 250 mV): 0,05%
Los circuitos
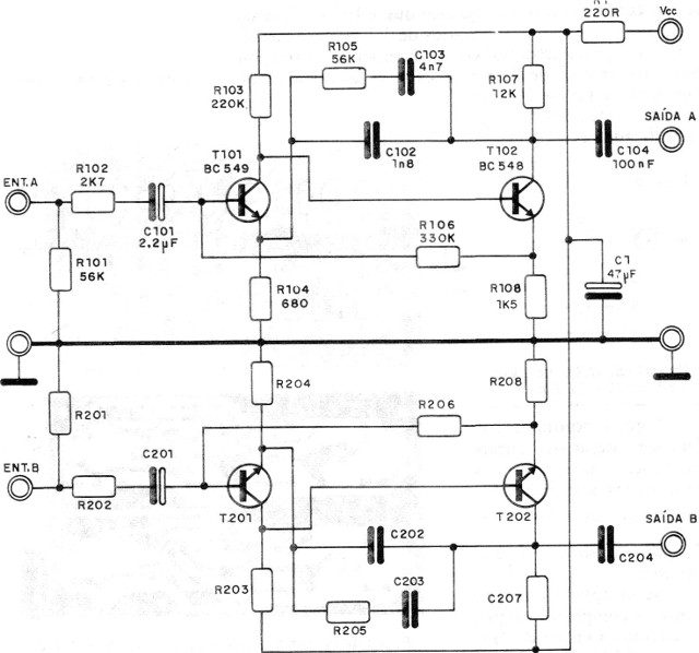
El circuito básico del preamplificador se muestra en la figura 1.


La modificación en relación al original de Ibrape es el cambio del BC149 por un BC549 y del BC148 por un BC548.
Los capacitores electrolíticos tienen tensiones de trabajo de 25 volts y los demás son de poliéster o cerámicos de buena calidad.
Las conexiones de entrada y salida deben ser blindadas, y la fuente puede ser obtenida a partir del propio amplificador con el cual la unidad operará teniendo en cuenta la corriente de consumo.
En la figura 3 mostramos cómo calcular el valor de Rx para alimentar a partir de Vcc (tensión del amplificador) el preamplificador con 12 voltios.

Algunos componentes pueden ser cambiados o retirados en función de la aplicación a ser dada al preamplificador.
Analizamos los principales casos:
Pre para cápsulas de reticencia variable
En esta aplicación mantenemos todos los componentes originales del circuito. El resistor R101 y la resistencia R201 reducen la impedancia de entrada del circuito a 47 k, el valor recomendado para esta aplicación, ya que los primeros transistores solos presentan una impedancia de 300 k en 1 kHz.
En esta aplicación se mantiene en acción la red de ecualización RIAA formada por R105, C103 y C102 en un canal. En el otro canal actúan R205, C203 y C202.
Cualquier tensión entre 9 y 19 voltios puede ser usada en la alimentación del circuito en esta aplicación.
Pre-para cabezas grabadoras y reproductores
Para esta aplicación, la característica normal requerida es la de poder trabajar con señales de 7 mV e impedancia de 47 k en la entrada.
Así, para conseguir los efectos deseados, la resistencia R105 y la resistencia R205 se cambian de 56 k a 12 k.
Los capacitores C102 y C202 se retiran del circuito mientras que C103 y C203 se cambian de 4,7 nF a 6,8 nF.
Estas características corresponden a cabezas que trabajan con una velocidad de 7 1/2 pulgadas por segundo.
Para el caso de velocidades de reproducción de 3 3/4 pulgadas por segundo, tenemos una señal de aproximadamente 5,3 voltios en 47 k, lo que requiere las siguientes modificaciones en el circuito: retirar C102 y C202; cambiar R105 y R205 de 56 k a 27 k y cambiar C102 y C202 de 4,7 a 6,8 nF.
Préamplificadores para micrófonos magnéticos o dinámicos
Los tipos más comunes de micrófonos magnéticos trabajan con señales entre 3 y 5 mV en una carga de 22 k.
El M204 se puede utilizar para ampliar estos tipos de señales con los siguientes cambios: pasar R101 y R201 de 56 K par 27 K; pasar R105 R205 de 56 a 68 k; retirar C102 y C202 y cambiar C103 y C203 de 4,7 nF a 4,7 nF.
El electrolítico utilizado en esta aplicación debe ser de 25 V.
Pre para captadores telefónicos e instrumentos
De acuerdo con las características de la cápsula o captador usados, cambie R101 y R201. Los valores típicos se sitúan entre 10 k y 47 k.
Mantenga los demás componentes y si desea una ecualización diferente, cambie R105, R205, C102 y C202 además de C103 y C203.
Mezclador
En la figura 4 tenemos el modo de hacer la conexión del circuito para operar como mezclador, donde R101 y R201 son retirados, siendo reemplazados por potenciómetros externos del mismo valor.

Estos potenciómetros sirven para dosificar la intensidad de las señales de entrada.
T101 (T201) - BC549 o equivalente transistor NPN de bajo ruido
T102 (T202) - BC548 o equivalente transistor NPN de uso general.
R101 (R201) - 56 k x 1/8 W - resistores (verde, azul, naranja)
R102 (R202) - 2k7 x 1/8 W - resistores (rojo, violeta, rojo)
R103 (R203) - 220 k x 1/8 W - resistores (rojo, rojo, amarillo)
R104 (R204) - 680 ohms x 1/8 W- resistores (azul, gris, marrón)
R105 (R205) - 56 k x 1/8 W - resistores (verde, azul, naranja)
R106 (R206) - 330 k x 1/8 W - resistores (naranja, naranja, amarillo)
R107 (R207) - 12 k x 1/8 W - resistores (marrón, rojo, naranja)
R108 (R208) - 1k5 x 1/8 W - resistor (marrón, verde, rojo)
R1 - 220 ohms - x 1/8 W - resistor (rojo, rojo, marrón)
C1 01 (0201) - 2,2 uF x 25 V - capacitores electrolíticos
C102 (C202) 1n8 - capacitores cerámicos o de poliéster
C103 (C203) - 4n7 - capacitores cerámicos o de poliéster
C104 (0204) - 100 nF - capacitores cerámicos o de poliéster
C1 - 47 uF x 25 V-capacitor electrolítico
Varios: placa de circuito impreso, hilos, soldadura, etc.



