Taladradoras de placas de circuito impreso, ventiladores del tipo usado en coches, bombas de agua para sistemas alternativos operan con 12 V exigiendo una pequeña fuente si se utilizan con alimentación desde la red. Describimos un primer circuito para ello. Otros serán dados en los siguientes artículos (ART713S y ART714S).
Podemos tener varias configuraciones posibles para alimentar un motor de 12 V que requiera una corriente pequeña, como máximo de 1 A.
Para las aplicaciones en las que la velocidad no es problema y que podemos tener una fuente sin regulación, una configuración simple atiende a nuestras necesidades.
Así, el primer circuito que presentamos (otros serán dados en los artículos siguientes), no tiene regulación y utiliza sólo una chavina reductora para no forzar el motor en la conexión directa.
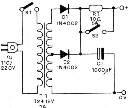
El circuito completo se muestra en la figura 1 y hace uso de un transformador de 12 V con 1 A de corriente.

El lector puede agregar un fusible de 1 A en la entrada y montar el conjunto en una caja de plástico o madera.
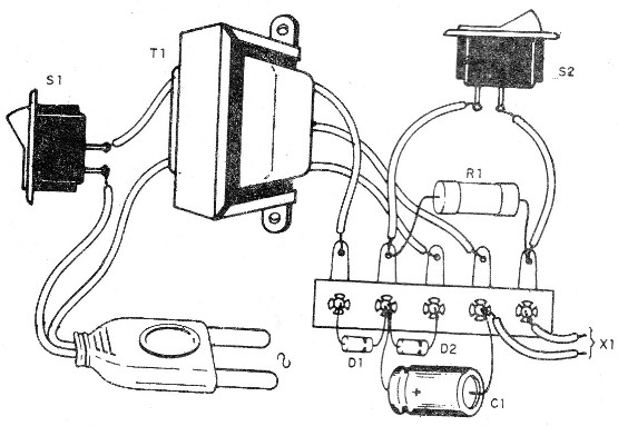
La disposición de los componentes, utilizando un puente de terminales, se muestra en la figura 2.

En el montaje, observe la polaridad de los diodos y del capacitor electrolítico que es del tipo para 25 V o más.
El resistor debe ser de hilo con 5 W y el transformador tiene primario de acuerdo con la red de energía.
Diodos como el 1N4004 también se pueden utilizar.
Observe que el sentido de rotación del motor alimentado depende de la polaridad de la alimentación.
D1, D2 - 1N4002 - diodos de silício
R1 - 10 ohms x 5 W - resistor de hilo
S1, S2 - Interruptores simples
T1 - Transformador - ver texto
C1 - 1 000 uF - capacitor electrolítico
Varios:
Puente de terminales, caja para montaje, cable de fuerza, hilos, soldadura, etc.



