Hay ocasiones en que debemos conectar varios aparatos, pero a intervalos regulares, en secuencia. Esto ocurre, por ejemplo, con equipos de sonido, cuando, en secuencia, conectamos el amplificador, el sintonizador y eventualmente el ecualizador. La conexión simultánea de los equipos puede traer diversos problemas, como picos de corriente capaces de afectar una instalación eléctrica menos preparada. Con el automatismo descrito en este artículo podemos conectar de modo automático tres o más equipos, con retardos que quedan a cargo del montador elegir.
Actuando sobre un solo interruptor podemos alimentar en secuencia tres o más aparatos, con retardos de alimentación que pueden programados entre algunos segundos y hasta algunos minutos, dependiendo de la aplicación.
Este procedimiento de alimentación secuencial puede ser importante para evitar picos de corriente (alimentación simultánea) o incluso dar tiempo para preparar el aparato siguiente.
En el hogar, en el taller, o incluso en la industria el actuador secuencial que describimos puede encontrar muchas utilidades. Utilizando relés de 12 V x 10 A él está apto para controlar incluso aparatos de alto consumo.
La indicación del proyecto es en la automatización del accionamiento de sistemas de sonido domésticos, con las conexiones mostradas en la figura 1, pero el Iector ciertamente encontrará muchas otras utilidades.

Características:
Tensión de entrada: 1/10/220 V c.a.
Tensión de salida: 110/220 V c.a.
Corriente máxima por salida: 10 A
Número total de salidas: 4
Número de salidas con retardo: 3
Rango de tiempo de retardo: 2 segundos a 2 minutos
Consumo de la unidad: 300 mA (a 12 V)
COMO FUNCIONA
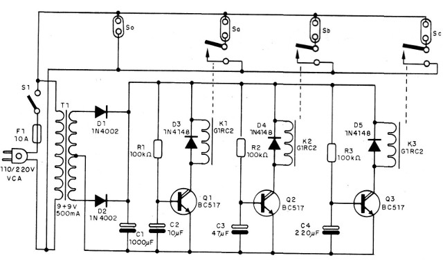
La idea básica del proyecto es accionar 3 relés por medio de un circuito de retardo con transistores Darlington del tipo BC517.
Estos transistores, con una ganancia muy elevada (30 000), pueden controlar una buena carga de colector (hasta 200 mA), incluso cuando están polarizados con resistores de alto valor.
De esta forma, conectamos a la base de cada transistor una red RC donde los capacitores tienen valores progresivos según la temporización deseada.
Los capacitores pueden tener valores entre 4,7 uF y 1 000 uF, debiendo ser elegidos por el montador, conforme el efecto de retardo deseado.
La carga de colector de cada transistor es un relé de 12 V, que tiene contactos reversibles de 10 A. La existencia de contactos reversibles permite que los aparatos no sólo sean conectados como también apagados en secuencia, bastando para ello programar su conexión en otras tomas .
En el proyecto original utilizamos tres relés o pasos de retardo, pero nada impide que, según la utilización, se utilicen más o menos etapas.
La salida S0 no tiene retardo, recibiendo alimentación de la red tan pronto como se conecte S1. Las otras salidas poseen retardos progresivos.
La corriente máxima de todas las salidas debe estar prevista para dimensionar el fusible F1.
MONTAJE
En la figura 2 tenemos el diagrama completo del aparato.

La disposición de los componentes en una placa de circuito impreso se muestra en la figura 3.

Los relés son del tipo de 12 V x 50 mA de bobina contactos para 10 A, pero nada impide que se utilizan tipos equivalentes, como por ejemplo tipos menores de 2 A de contactos, si la corriente controlada es menor.
Los diodos admite equivalentes. Los transistores son Darlingtons BC517, pero en su defecto se pueden utilizar dos BC548 en la configuración tradicional, mostrada en la figura 4.

Para las salidas se utilizan tomas comunes de embutir. La caja puede ser plástica o metálica. Si se utiliza una caja metálica especial se debe tomar con la seguridad de las conexiones que reciben energía de la red.
Prueba y uso
Para probar podemos conectar las lámparas en la salida y hacer el accionamiento de la llave S1, verificando si las lámparas están conectadas en secuencia.
Para usar, respete las limitaciones de corriente de cada salida.
Semiconductores:
Q1 a Q3 - BC517 - transistores Darlington NPN
D2. D2 - 1N4002 - diodos rectificadores de silicio
D3 a D5 - 1N4148 - diodos de uso general
Resistores (1/8 W, 5%):
R1 a R3 - 100 k ohms
Capacitores:
C1 - 1 000 uF - electrolítico de 25 V
C2, C3, C4 - ver texto - electrolíticos de 4,7 a1000 uF a 12 o 16V
Varios:
T1 - Transformador con primario de acuerdo con la red local y secundaria de
9 + 9 V x 500 mA o más
F1 - 10 A - Fusible
S1 - Interruptor simple
S0 a Sc - Tomas de forma
K1 a K3 - Relés de 12 V
Placa de circuito impreso, cable de alimentación, caja para montaje, soporte para fusible, hilos, soldadura, etc.



