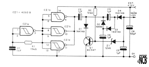
El circuito presentado en la figura 1 produce una salida de polaridad invertida, con tensión de 12 V, en relación a una entrada de alimentación.

La disposición de los componentes en una placa de circuito impreso se muestra en la figura 2.

Lo que tenemos es un oscilador que entrega sus señales a tres puertas del mismo circuito integrado como inversores.
La señal de salida de estos puertos se aplica a una red inversora de polaridad basada en 3 diodos (D2 a D4) y 3 capacitores (C2 a C4).
El diodo D1, junto con Q1 y el diodo zener, forman un regulador de tensión que garantiza la salida en -12 V.
El capacitor C6 es un filtro de salida.
Si el ensamblaje desea una tensión "invertida" con otro valor de tensión puede cambiar el zener.
CI1 - 40933 - circuito integrado CMOS
Q1 - BC547 - transistores NPN de uso general
D1 a D3 - 1N4148 - diodos de silicio de uso general
Z1 - 12V6 - diodo zener de 400 mW
R1 - 15 k ohms - resistor de 1/8 W, 5%
R2 - 12 k ohms - resistor de 1/8 W, 5%
C1 - 1 nF - capacitor de cerámica
C2, C3, C4, C5 - 1 uF - capacitor electrolítico de 12 V
C6 - 100 uF - capacitor electrolítico de 12 V
Varios:
Placa de circuito impreso, zócalo para circuito integrado, hilos, soldadura, etc.



