Este convertidor DC / DC tiene como base dos circuitos integrados CMOS de bajísimo consumo y, por lo tanto, es indicado para aplicaciones de baja potencia, con alimentación por pilas, para polarización, por ejemplo.
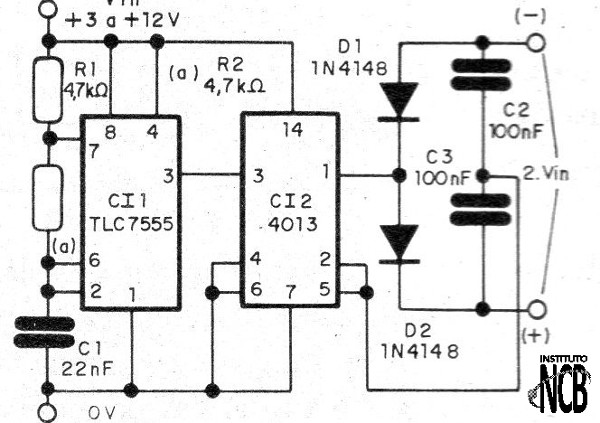
El diagrama se muestra en la figura 1 y tiene como oscilador un 555 LinMos y un flip-flop CMOS.

La disposición de los componentes en una placa de circuito impreso se muestra en la figura 2.

El principio de funcionamiento es el siguiente: el TLC7555 (LinCMOS) se conecta como astable, operando entre 2 y 10 kHz (frecuencia dada por R1, R2 y C1), generando una señal rectangular.
Esta señal excita un flip-flop tipo D para obtener señales retangulares desfasadas en las dos salidas (Q y Q /).
Las salidas del 4013 entonces excita una carpeta de tensión, obteniéndose abierta una tensión de aproximadamente el doble de la usada en la alimentación.
La capacidad de corriente de este circuito es baja, del orden de 1 a 2 mA solamente.
Cl1 - TLC7555 - circuito Integrado LinCMOS
Cl2 - 4013 - circuito integrado CMOS
D1, D2 - 1N4148 - diodos de silicio de uso general
R1, R2 - 4,7 k ohms - resistores de 1/8 W, 5%
C1 - 22 nF - capacitor de poliéster o cerámico
C2, C3 - 100 nF - capacitores de poliéster
Varios:
Placa de circuito impreso, sockets para los integrados, hilos, soldadura, etc.



