Este circuito puede servir como paso de entrada para proyectos de controles remotos o alarmas que involucren infrarrojo modulado.
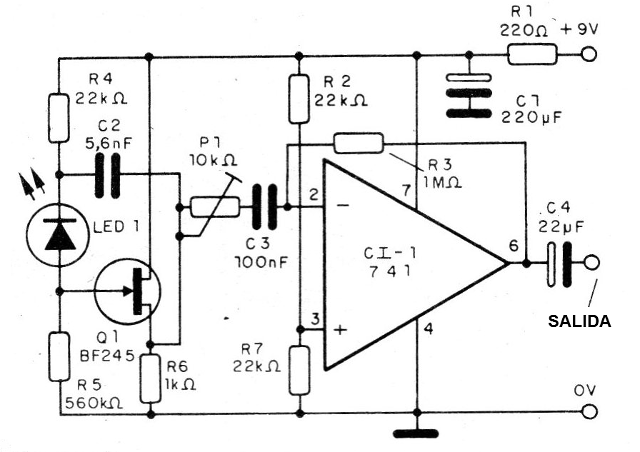
El circuito se muestra en la figura 1 y el sensor puede ser un diodo silicio de gran superficie y de que no se necesita fuente de alta velocidad, siendo la sensibilidad ajustada en el trimpot de circuito.
La fuente es una simple es una simple batería de 9 V. El transistor de efecto de campo puede ser sustituido por equivalentes, como el MPF102.

Q1 - BF245
R1 - 220 ohms
R2, R4, R7 - 22 K ohms
R3 - 1 M ohms
R5 - 560 K ohms
R6 - 1 k ohms
C1 - 220 uF x 16 V - electrolítico
C2 - 5,6 nF - cerámico o poliéster
C3 - 100 nF - cerámico o poliéster
C4 - 22 uF x 16 V - electrolítico
P1 - 10 K ohms



