Para alimentar los aparatos que requieran una tensión de 6 volts, bajo una intensidad de corriente razonable, hemos utilizado pilas comunes que se conectan en serie. Como muchos, son los aparatos que describimos que funcionan con una tensión de 6 volts, es decir, 4 pilas, creemos que los lectores más entusiastas ya han destinado una buena suma del capital disponible a la compra de pilas.
Así, para evitar un gasto excesivo de pilas, describimos una fuente de alimentación de 6 volts regulada, que permite la obtención de esa tensión, a partir de la red de alimentación, con lo que, todos los aparatos que exijan esta tensión pueden ser alimentados y el lector no tendrá que preocuparse por las pilas, usando sólo cuando sea necesario.
Esta fuente servirá para la alimentación de todos los circuitos de 6 volts que montamos, siempre que éstos no necesiten de corriente mayor a 500 mA.
Su utilidad en la bancada de servicio será enorme, de ahí su montaje ser altamente recomendable para todos que se dedican al montaje de los circuitos que hemos descrito en este sitio.
EL CIRCUITO
El principio de funcionamiento de esta fuente, es bastante simple. Partimos del hecho de que en la red de alimentación domiciliar disponemos de 110 o 220 Volts de corriente alterna y deseamos obtener cerca de 6 Volts en corriente continua.
Para ello, debemos en primer lugar bajar la tensión de 110 Volts o 220 Volts para los 6 Volts, que deseamos. Para este propósito usamos un transformador (figura 1).

El transformador está formado básicamente por dos bobinas, denominadas primario y secundario. En el primario, se aplica la tensión que debe tener su valor alterna, y en el secundario, se retira esta tensión.
El cambio de valor de la tensión, es función del número de espiras de los dos devanados.
El más importante a observar, es que en el devanado secundario, todavía obtenemos corriente alterna, aunque la tensión ya ha sido reducida.
A continuación, debemos rectificar la corriente obtenida, ya que necesitamos de corriente continua y no alternada, como la obtenida en el secundario del transformador.
Para este propósito, usamos diodos semiconductores que tienen la propiedad de conducir la corriente en un solo sentido y, por lo tanto, evitar la circulación en los dos, como ocurre en una corriente alterna (figura 2).

En nuestro caso, usaremos dos diodos, lo que nos llevara un proceso de rectificación, conocido como "rectificación de onda completa".
A continuación, tenemos el filtrado de la corriente continua obtenida después de los diodos que es hecha por un capacitor electrolítico de gran valor. Este capacitor, actúa como un depósito de energía, evitando las variaciones que podrían ocurrir en la corriente de salida en función de su rectificación.
El siguiente paso será la regulación. Esta regulación, consiste en evitar que la tensión de salida, varíe en función del consumo del circuito que se conecte a la fuente.
En una fuente no regulada, la tensión puede caer sensiblemente de valor, cuando un circuito de consumo más elevado, tiene que ser alimentado lo que puede causar un funcionamiento deficiente.
La regulación se realiza, en función de las propiedades eléctricas de dos componentes: el diodo zener y el transistor.
El diodo zener, proporciona el patrón de tensión, es decir, determina cuál debe ser la tensión de salida. Se trata de un componente, que tiene la propiedad de mantener siempre la misma tensión entre sus extremos incluso cuando 'le aplicamos tensiones de valores diferentes.
En resumen, regula la tensión que se le aplica.
Se produce, sin embargo, que el diodo zener, sólo puede regular tensiones cuando la corriente requerida no es muy grande. En nuestro caso, los 500 mA, serían demasiado para este componente y él no daría cuenta, si estuviera solo en el circuito.
Para ayudarle, utilizamos un transistor de potencia.
Este transistor amplía la regulación del diodo zener, es decir, establece la tensión de salida, en función de la tensión de referencia dada por el diodo zener (figura 3).

Los componentes adicionales tienen por objeto estabilizar el funcionamiento de todos los componentes.
Obtenemos así una salida de tensión constante de 6 volts cuando el consumo del aparato alimentado sea inferior a 500.
EL MONTAJE
Todos los componentes, son de fácil obtención, y de bajo costo, y la descripción del montaje es hecha para facilitar al principiante, que poca o ninguna práctica tenga en montajes de ese tipo.
Como sugerencia, el lector puede fijar los componentes, sobre una base de madera y eventualmente instalarla en una caja cerrada, mostrando sólo los terminales de conexión.
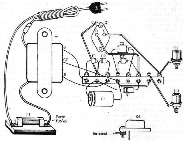
Comience el montaje por fijar el transformador, usando para este propósito los agujeros de sus pestañas. Los tornillos con tuercas o tornillos de madera se pueden utilizar para este propósito.
La posición del transformador es importante. El devanado de alta tensión que debe conectarse a la red, debe quedar en el lado izquierdo, y el devanado de baja tensión que tiene tres hilos de salida, en el lado derecho.
Los componentes más pequeños, son todos soldados en un puente de 8 terminales.
Para el trabajo de soldadura, utilice un soldador pequeño (30 Watts), y soldadura de buena calidad.
Las interconexiones entre los componentes se hacen con hilo común de capa plástica.
Fijar el puente de terminales en la base de montaje, solde los componentes, observando cuidadosamente la posición de los diodos, identificada por los anillos en su cuerpo, y la posición del capacitor electrolítico.
Se oriente por el dibujo (figura 4), y por el diagrama (figura 5).


Para completar, conecte el transistor y los terminales de salida. El transistor tiene como terminal de colector (C), el propio envoltorio.
Para hacer esta conexión, sujete con un tornillo con tuerca, un terminal simple y cuchillo en la conexión (aproveche este terminal de un puente).
Los bornes de conexión ya tienen terminales propios para conexiones. El borne rojo debe corresponder al polo positivo, y el negro al polo negativo.
El fusible debe ser de 1 A, y tiene por finalidad proteger el circuito en caso de algún cortocircuito accidental.
EXPERIMENTANDO LA FUENTE
Para probar la fuente, es simple. Después de completar el montaje, compruebe todas las conexiones, y si todo está correcto, conecte la toma a la red de alimentación.
Entre los polos de la fuente, conecte una lámpara de 6 V x 250 mA (lámpara normalmente usada en las pantallas de radios y que se pueden adquirir en cualquier casa de material electrónico). La lámpara debe encenderse, con su brillo normal.
T1 - Transformadores de filamento - 110 o 220 volts, de primario y 6 + 6
Volts de secundaria con 500 mA.
D1, D2 - 1N4001 - diodo rectificador de silicio
D3 - Diodo zener 6,8 volts - BZX79 C6V8 o equivalente
Q1 - Transistores 2N3055
C1 - 2 200 uF x 10 Volts-capacitor electrolítico
C2 - 100 uF x 16 Volts-capacitor electrolítico
R1 - 470 Ohms x 0,5 watts - resistor
Varios: fusible y porta fusibles, cable con toma, base de montaje, etc.



