Este proyecto es especialmente indicado para los principiantes de electrónica, estudiantes de escuelas técnicas o de nivel medio que ya tienen conocimiento de cómo soldar. Además de la aplicación recreativa y experimental, él puede enseñar mucho sobre radiocomunicaciones y hasta ser utilizado en una competición interesante. Este proyecto, así como otros del mismo tipo, pueden ser encontrados en el libro Proyectos para Ferias de Ciencias y Educación Tecnológica de nuestra autoría.
El pequeño transmisor de radio que describimos emite bips que pueden ser captados por cualquier radito de FM en una frecuencia libre. Si escondemos el transmisor en un objeto que deba ser vigilado, podemos localizarlo después por la señal emitida. Una posibilidad interesante de uso es en una broma en la que se oculta el indicador y los participantes, cada uno provisto de una radio, debe localizarlo por sus señales. También podemos usarlo en robótica para indicar la posición de un robot, facilitando su ubicación.
En el artículo mostramos cómo hacer el montaje de un transmisor de FM con unos 100 a 200 metros de alcance capaz de transmitir señales en forma de bips a una frecuencia libre de la pista elegida. El circuito es alimentado por pilas comunes que lo mantiene en funcionamiento durante algunas horas. De esta forma, puede ser escondido en objetos que deban ser vigilados, o aún ser usado en una broma de localización.
También podemos utilizar el circuito como una alarma remota reemplazando el interruptor general S1 por un sensor que lo dispara haciendo que emita la señal de alerta a un receptor de FM.
Los componentes utilizados en el montaje son comunes y no hay elementos críticos que puedan dificultar su realización por los menos experimentados. Todo lo que el lector necesita saber es hacer placas de circuito impreso según el patrón que damos en este proyecto.
Características:
• Tensión de alimentación: 6 ó 9 volts
• Alcance: 100 a 200 metros
• Frecuencia de emisión: de 88 a 108 MHz
COMO FUNCIONA
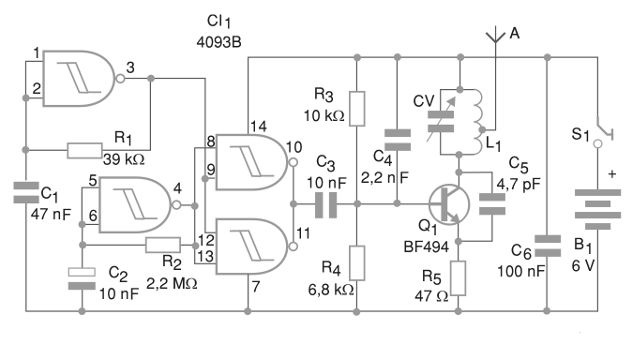
Para generar los bips a intervalos regulares usamos dos osciladores basados ??en dos puertas NAND del circuito integrado disparador 4093.
La primera puerta genera el tono de audio cuya frecuencia se determina básicamente por R1 y C1. El reproductor puede cambiar estos componentes en una amplia gama de valores para elegir el tono que sea más agradable. La segunda puerta genera los intervalos entre los bips que son determinados por la resistencia R2 y el capacitor C2.
Estos componentes también pueden tener sus valores alterados según el deseo del lector, y eso en una amplia gama de valores. Las señales de los dos osciladores se combinan en las otras dos puertas del circuito integrado que funcionan como amplificadores.
Obtenemos en la salida pulsos o bips que sirven para modular la etapa transmisora. La etapa transmisora consiste básicamente en un transistor que genera una señal cuya frecuencia depende de L1 y CV. Ajustamos CV para que el circuito opere en una frecuencia libre de la banda de FM.
La realimentación que mantiene el circuito en oscilación es obtenida por el capacitor de 4,7 pF. Las señales generadas por la etapa transmisora se irradian por la antena y la longitud de la antena depende del alcance del transmisor. Podemos utilizar pedazos de hilo de 10 cm a 40 cm o una antena telescópica. No es conveniente utilizar la antena más grande para no instabilizar el circuito.
MONTAJE
En la figura 1 damos el diagrama completo del transmisor indicador.

La disposición de los componentes en una placa de circuito impreso se muestra en la figura 2.

Los resistores son todos de 1 / 8W y los capacitores deben ser cerámicos salvo indicaciones que permitan también el uso de tipos de poliéster. La bobina está formada por 4 espiras de hilo 22 o incluso más grueso con un diámetro de 1 cm sin núcleo.
Para la alimentación se pueden utilizar pilas medias o grandes en soporte adecuado. No es conveniente utilizar una batería de 9V, ya que el consumo del aparato lo haría rápidamente. El transistor BF494 puede ser sustituido por equivalentes como el 2N2222 y hasta de mayor potencia como el BD135, en cuyo caso el circuito puede ser alimentado con tensión de hasta 12 V.
AJUSTE Y USO
Para ajustar el aparato basta con conectar en las proximidades un receptor de FM sintonizado a una frecuencia libre. Después, cuidadosamente, ajustamos CV para que la señal más fuerte del transmisor sea captada.
Debemos tener cuidado en esta operación para no confundir señales espurias, o armónicas, que son más débiles, con la señal fundamental que es más fuerte. La señal espumosa se presenta inmediatamente cuando nos alejamos con el receptor. Si el lector no le gusta la tonalidad de los bips producidos, puede cambiar los componentes asociados como se explica. Una vez comprobado el funcionamiento el aparato puede ser cerrado en una caja de plástico o madera para uso.
La competencia:
• Caza a la Raposa - Esta es una broma que puede ser implementada con este transmisor, principalmente en escuelas, en los cursos que posean actividades en Educación Tecnológica. Después de explicar cómo funcionan los transmisores y de qué modo se puede tener una directividad en la recepción conforme a la posición de la antena, el profesor combina con los alumnos para que cada uno traiga un radito de FM de pilas (no digital).
Después, ocultando el transmisor en alguna parte en la escuela (en el patio, por ejemplo), los estudiantes deben buscar su señal y una vez sintonizado, deben localizar el transmisor oculto. Una prenda puede colocarse junto al transmisor como, por ejemplo, una caja de dulces!
• Premiar lo que tenga mayor alcance.
Semiconductores:
CI-1 - 4093B - circuito integrado CMOS
Q1 - BF494 o equivalente - transistores de RF
Resistores: (1 / 8W, 5%)
R1 - 39k ohms - naranja, blanco naranja
R2 - 2,2 M ohms - rojo, rojo, verde
R3 - 10 k ohms - marrón, negro, naranja
R4 - 6,8 k ohms - azul, gris, naranja
R5 - 47 ohms - amarillo, violeta, negro
Capacitores:
C1 - 47 nF - cerámico
C2 - 2,2 uF / 16V - electrolítico
C3 - 10 nF - cerámico
C4 - 2,2 nF - cerámico
C5 - 4,7 pF - cerámico
C6 - 100 nF - cerámico
CV - trimmer - ver el texto
Varios:
L1 - Bobina - ver el texto
S1 - Interruptor simple
B1 - 6 V - 4 pilas pequeñas o medianas
A - antena - ver texto
Placa de circuito impreso, zócalo para el circuito integrado, soporte para pilas, caja para montaje, hilos, soldadura, etc.



