Intercalado entre el captador de una guitarra o la guitarra y el amplificador, este circuito produce un efecto de modulación interesante. Simple de montar él utiliza un sensor de presión hecho con esponja conductora.
Este circuito utiliza un sensor diferente para detectar la presión del pedal de efectos.
Se trata de un pedazo de esponja conductora que se puede encontrar en envases de circuitos integrados.
Como muestra la figura 1, cuando presionamos esta esponja su resistencia disminuye, lo que posibilita su uso como un sensor de presión.

Por supuesto, como alternativa para el proyecto se puede utilizar un potenciómetro de 47k o 100 k acoplado a un sistema de pedal.
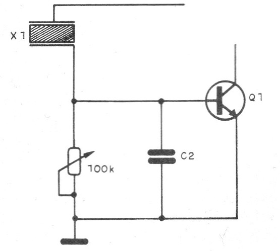
Como podemos ver por la figura 2, conectando esta esponja conductora a un transistor podemos controlar su conducción por la presión aplicada.

En nuestro circuito, lo que haremos será colocar este transistor en el recorrido de la señal del captador del instrumento para la entrada del amplificador.
Así, por la presión en el pedal acoplado a la esponja podemos variar la intensidad de la señal y con eso modular el efecto.
El circuito es alimentado por batería y su consumo es muy bajo.
Montaje
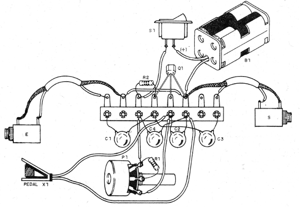
En la figura 3 tenemos el diagrama completo del mini-pedal

Como se trata de montaje no crítico y con pocos componentes, existe la opción del montaje utilizando un puente determinados, como muestra la figura 4.

En el montaje, utilice cables blindados para la entrada y salida de las señales.
La posición del transistor debe ser observada y las resistencias son de 1/8 W con cualquier tolerancia.
Se recomienda el uso de una caja de metal para servir de blindaje, evitando la captación de ronquidos.
El sensor está formado por un pedazo de esponja conductora, teniendo dos planchas de metal para presionarla.
En estas planchas se conectan los hilos que van al circuito.
En la figura 5 damos una idea para el montaje del pedal de accionamiento.

La figura 6 muestra cómo conectar el sistema al amplificador y al instrumento, necesitando eventualmente un preamplificador.
En la figura 6 mostramos cómo utilizar el circuito.

Q1 - BC548 - transistores NPN de uso general
S1 - Interruptor simple
X1 - Sensor - ver texto
B1 - 6 o 9 V - batería o pilas
J1, J2 - jack de entrada y salida
P1 - 1 M ohms - pote
R1 - 10 k ohms - resistor - marrón, negro, naranja
R2 - 22 k ohms - resistor - rojo, rojo, naranja
C1, C3, C4 - 100 nF - capacitores cerámicos o poliéster
C2 - 10 nF - capacitor de cerámica o poliéster
Varios:
Puente de terminales, soporte de pilas o conector de batería, caja para montaje, cables blindados, hilos, etc.



