Las lámparas incandescentes ya no se utilizan en iluminación, por su bajo rendimiento, pero todavía se pueden emplear en aplicaciones especiales, como este circuito de efectos para vitrinas, escenarios, conjuntos musicales y otros. Vea en este artículo cómo construir las psico-lámparas.
Este circuito hace que un conjunto de lámparas incandescentes parpadea rápidamente variando la frecuencia de modo aleatorio con un efecto visual muy interesante.
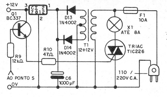
Con el triac usado se pueden controlar hasta 800 W de lámparas en la red de 110 V y el doble en la red de 220 V.
El circuito utiliza componentes comunes y es fácil de montar.
En la figura 1 tenemos las formas de las señales generadas y el resultado de su combinación.

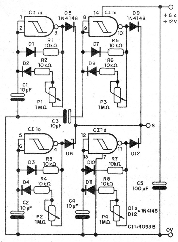
Estas señales se generan por 4 osciladores ajustables elaborados alrededor de las cuatro puertas NAND de un circuito integrado 4093.
Cuando las señales se combinan en una salida única obtenemos un patrón único de pulsos que se aplica a un triac.
El triac tiene por carga el conjunto de lámparas incandescentes, que pueden ser decentes diferentes conectadas en paralelo.
En la figura 2 tenemos el diagrama del sector de baja potencia del circuito que consiste en los osciladores.

La placa de circuito impreso para el montaje se muestra en la figura 3.

El sector de alimentación y de potencia se muestra en la figura 4, observándose que el triac debe tener sufijo B o D si la red es de 110 V y sufijo D si la red es de 220 V.

El triac debe estar dotado de un disipador de calor y la corriente del transformador puede oscilar entre 300 y 500 mA.
En el montaje, observe la posición de los circuitos integrados y del transistor así como la polaridad del diodo.
Los resistores son de 1/8 W con cualquier tolerancia y los demás componentes de acuerdo con la lista de materiales.
Los capacitores electrolíticos son de 16 V o más.
Para usar, ajuste los trimpotes para el efecto deseado, recordando que el circuito es alimentado por la red de energía, debiendo ser tomadas las precauciones contra golpes.
CI-1 - 4093 - circuito integrado
CI-2 -7812 - circuito integrado
Triac - TIC226 B o D - ver texto
Q1 - BC337 - transistores NPN de uso general
D1a D12 - 1N4148 - diodos de uso general
D13, D14 - 1N4002 - diodos rectificadores
R1 a R8 - 10 k ohms - resistores - marrón, negro, naranja
R9 - 12 k ohms - resistor - marrón, rojo, naranja
P1 a P4 - 1 M - potenciómetros
C1 a C4 - 10 uF - capacitores electrolíticos
C5 - 100 uF - capacitor electrolítico
C6 - 1 000 uF - capacitores electrolíticos
T1- transformador con 12 + 12 V - 300 a 500 mA
F1-fusible de acuerdo con la cantidad de lámparas
S1 - Interruptor simple con capacidad de acuerdo con las lámparas
Varios:
Placa de circuito impreso, radiador para el triac, caja para montaje, cable de fuerza, hilos, soldadura, etc.



