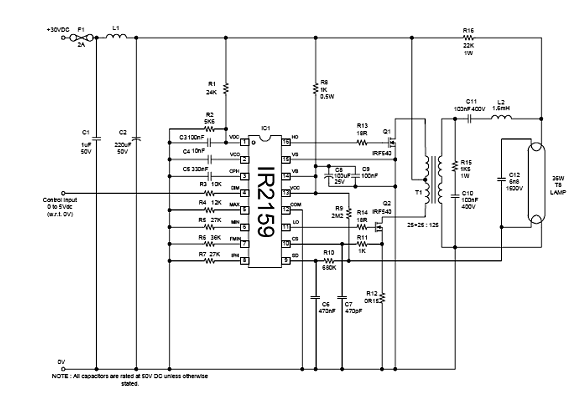
El Application Note AN-1038 de International Rectifier (www.irf.com) describe maneras de controlar el brillo de lámparas fluorescentes con el IR21592, el cual es alimentado a partir de una fuente de baja tensión proveniente de la propia red de energía. Basado en el mismo diseño, el lector también puede desarrollar un reactor fijo. El circuito descrito se indica para una sola lámpara T8 de 36 W alimentada a partir de una tensión de 30 V. Las tensiones son posibles, ya que el IR21592 puede ser alimentado a partir de 13 V. Para la lámpara de 36 W la corriente es de 1,25 A (2007)
El circuito integrado de reactor el circuito asociado de control se alimenta a partir de una fuente DC que consiste en un simple resistor limitador. Este circuito proporciona la tensión de 15,6 V a partir de la entrada de 30 V, segada por el diodo zener del propio circuito integrado.
Esta configuración puede proporcionar la corriente necesaria para el circuito de control, disipando sólo una pequeña porción de energía en forma de calor. La topología del circuito consiste en una etapa de conmutación de potencia en push-pull a diferencia de las configuraciones puente que son comunes en los reactores alimentados por la red de energía.
Esta configuración simplifica el circuito ya que sólo un controlador del lado de la alimentación no es necesario y así el perno Vb del CI puede ser conectado directamente al Vcc. El Pino V se conectará al COM (0 V) m y no se requiere ningún diodo o capacitor de arranque. La etapa de salida tiene un transformador elevador con un primario con derivaciones para producir la tensión elevada en el secundario, la cual puede ser conectada a un inductor convencional en serie y un capacitor de lastre en la salida para la lámpara.
En este sistema las dos fuentes de conmutación MOSFET se conectan al COM. Para obtener el nivel de corriente necesario e información de fase, un resistor sensor debe ser conectado de la fuente del LO alimentando por el MOSFET a la entrada COM.
La corriente debe ser mucho mayor en este punto que en un reactor alimentado por la red de energía, por lo que una resistencia de pequeño valor es necesaria. En este ejemplo, se utilizó una resistencia de 0,1 ohmios. Como el transformador elevador no introduce ningún desplazamiento de fase relevante, la forma de onda detectada en la entrada sensora de corriente CS para el control del IR21592 es idéntica a la señal sensorial en un reactor de media puente.
Esta señal se puede utilizar de la misma manera para detectar el desplazamiento de fase al control de intensidad.
En este sistema, así como en un reactor sin control de brillo, los diseños del pino CS usado para monitorear la corriente y fallas, permiten que el reactor vaya al estado de shutdown si la lámpara falla en la salida como en un circuito común de media puente.
No es necesario que el paso de salida sea aislado del paso de entrada y por lo que un lado del transformador se puede hacer referencia a la entrada COM. Se puede entonces conectar un lado de la lámpara al COM posibilitando así que la clavija SD del integrado detecte cuando la lámpara fue removida o ocurra la apertura del filamento inferior.
Durante el control de brillo pueden aparecer rayas oscuras en la lámpara, lo que puede ser removido añadiendo un pequeño DC offset a la lámpara, a través de R16, que se conecta de vuelta al bus de 30 V.
Una red snubber, consistente en R15 y C10 también se agrega para reducir las tensiones oscilantes de overshoot que ocurren cuando los MOSFET conmutan. El snubber también aumenta el tiempo de conmutación. Los MOSFET usados en este ejemplo son del tipo IRF540 que tienen Vdsss de 100 V y Rds (on) de 0,044 ohms. La tensión de pico del drenaje es 60 V más los transientes produciendo por la inductancia de fuga del transformador cuando ocurre la conmutación para no conducción. En la figura 1 tenemos el circuito sugerido.

En el circuito indicado, que tiene el control de brillo, la selección de los componentes es más crítica. El lector interesado en información más detallada sobre estos componentes y también el cálculo de sus valores puede obtener el documento original en el sitio web de International Rectifier.



