Este circuito puede servir para pruebas de funcionamiento aleatorios o como simulador de presencia. En vitrinas también se puede utilizar para un accionamiento diferente de luces o efectos.
Cuatro temporizadores garantizan un funcionamiento casi aleatorio con un patrón de accionamiento imprevisible.
El cierre de un relé en intervalos imprevisibles y por tiempos imprevisibles puede ser usado para el control de diversos tipos de dispositivos.
Como los ciclos de accionamiento pueden variar desde unos segundos hasta más de un minuto, dependiendo de los ajustes y componentes usados, las posibles aplicaciones para este tipo de aparato son muchas.
Como ejemplo inicial podemos citar la obtención de efectos aleatorios para luces de vitrinas o incluso efectos de sonido la utilización de sirenas, bips o cigarras.
Un segundo ejemplo sería como simulador de presencia, prolongándose al máximo los tiempos tanto de accionamiento como de intervalos, en cuyo caso podemos accionar lámparas, aparatos de sonido, motores, etc.
Finalmente tenemos un automatismo para prueba automática que conectaría automáticamente algún equipo en prueba miles de veces de modo automático y aleatorio, verificándose así su resistencia.
El circuito puede ser alimentado por tensión de 6 o 12 V de pilas, batería o fuente, según el tipo de relé usado y los intervalos previstos para su utilización.
CARACTERÍSTICAS
Tensión de alimentación: 6 o 12 V
Corriente máxima: 100 mA
Corriente de carga: 2 A
Ciclos aleatorios: 4
Intervalos entre ciclos: unos segundos a 15 minutos
Tiempos de accionamiento: unos segundos a 1 minuto
COMO FUNCIONA
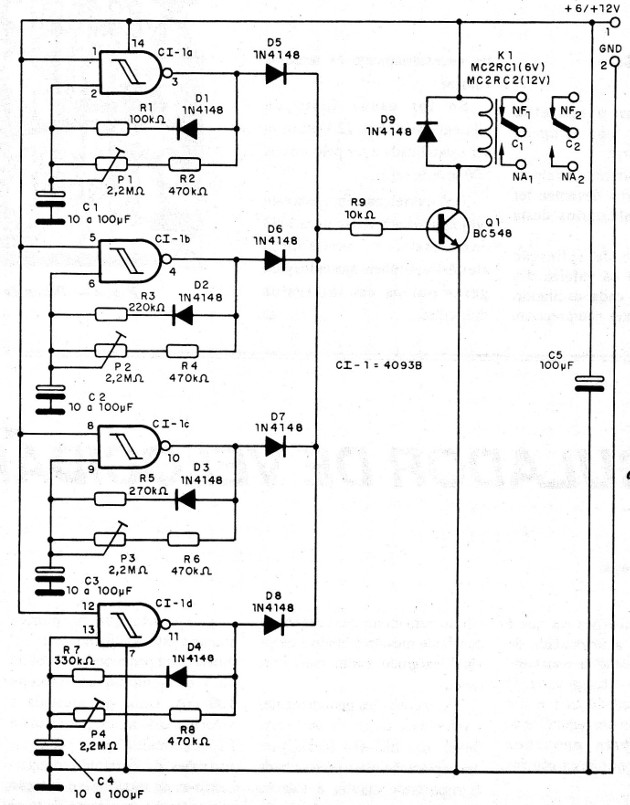
Cada uno de las cuatro puertas NAND de un circuito integrado 4093 se utiliza como un oscilador cuyo ciclo activo está determinado por el resistor en serie con el diodo.
De esta forma, el tiempo que el nivel de salida permanece alto es determinado por R1 y C1 en el primer puerto y el tiempo en que permanece baja es dado por R2, P1 y C1.
Como R1 y C1 tienen una constante de tiempo mucho menor que la obtenida por P1, R2 y C1, el tiempo de salida alto es mucho menor que el de salida baja.
La relación entre P1 / R2 y R1 determina entonces la forma de onda que obtenemos de la primera puerta, como muestra la figura 1.

Como P1 es variable, este componente permite ajustar los intervalos entre los pulsos producidos por el primer puerto.
Con las otras puertas hacemos lo mismo, pero cambiamos los valores de los resistores que determinan la duración de la salida en el nivel alto, es decir, R3, R5 y R7 son diferentes.
Esto significa que, ajustando P1, P2, P3 y P4 de modos ligeramente diferentes, obtenemos no sólo frecuencias diferentes como también pulsos de diferentes duraciones.
Combinando todas las cuatro señales generadas en una salida única tenemos entonces la forma de onda mostrada en la figura 2.

Esta forma de onda es entonces formada por un tren de pulsos de separación y duración pseudo-aleatoria que sirven para accionar un relé vía transistores Q1.
Las duraciones y separaciones de los pulsos dependen en gran medida de los valores de los condensadores de C1 a C4.
Los valores hasta mayores, llegando a los 1000 uF pueden ser usados ??si el lector desea usar el aparato como un simulador de presencia, por ejemplo.
La alimentación del circuito puede ser hecha con tensión de 6 o 12 V bastando para que sólo se utilice el relé correspondiente.
MONTAJE
En la figura 3 tenemos el diagrama completo del aparato.

La disposición de los componentes en una placa de circuito impreso se muestra en la figura 4.

Los resistores son de 1/8 W o más y los electrolíticos son para 12 V o más.
Los resistores R1, R3, R5 y R7 se pueden cambiar en el rango de 10 a 470 k ohms para obtener pulsos más estrechos o más anchos, según la aplicación deseada para el aparato.
Para el circuito integrado sugerimos usar un zócalo DIL de 14 pines
También es posible cambiar los trimpots por potenciómetros para obtener un ajuste aleatorio de tiempos en un panel.
PRUEBA Y USO
Para probar el aparato podemos conectar una lámpara común como carga.
Actuando sobre los trimpots o los potenciómetros debemos tener accionamientos al azar de esta lámpara.
Dependiendo de la aplicación deseada, cambie los valores de los condensadores de cada oscilador.
Estos componentes no tienen necesariamente los mismos valores.
Si se utiliza una fuente de alimentación de 6 o 12 V, se debe estabilizar y tener al menos 500 mA de salida.
Un perfeccionamiento para este proyecto sería emplear otro 4093 con más 4 osciladores aleatorios, también ajustados para generar pulsos a intervalos diferentes.
Semiconductores:
CI-1 - 4093 - circuito Integrado CMOS
Q1 - BC548 o equivalente - transistores NPN de uso general
D1 a D9 - 1.N4148 o equivalentes - diodos de uso general
Resistores: (1/8 W, 5%)
R1 - 100 k ohms
R2, R4, R6 y R8 - 470 k ohms
R3 - 220 k ohms
R5 - 270 k ohms:
R7 - 330 k ohms
R9 - 10 k ohms
Capacitores: (electrolíticos 12 V o más)
C1 a C4 - 10 uF a 100 uF - electrolíticos - ver texto
C5 - 100 uF - electrolítico
Varios:
P1 a P4 - 2,2 M ohms - trimpots o potenciómetros
K1 - Relé de 12 V x 50 mA
Placa de circuito Impreso, zócalo para el Integrado, fuente de alimentación, caja para montaje, hilos, soldadura, etc.



